GM Service Manual Online
For 1990-2009 cars only
Makes
🢒
Cadillac
🢒
2003
🢒
DeVille
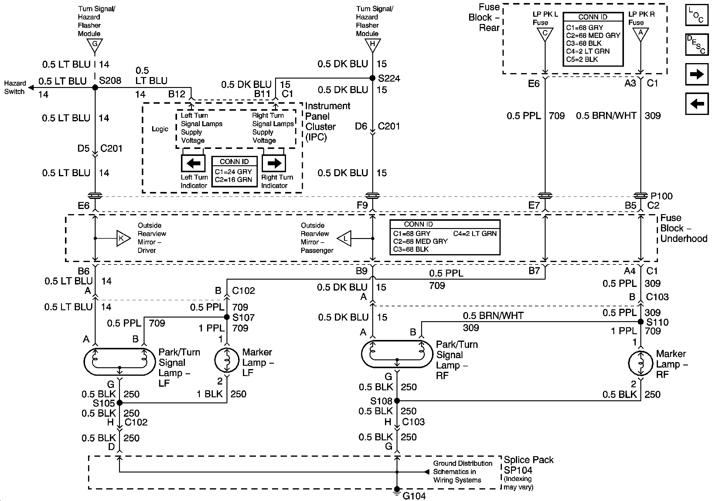
🢒 Front Park/Turn and Side Marker Lamps
Front Park/Turn and Side Marker Lamps
Front Park/Turn and Side Marker Lamps
Master Electrical Component List
Exterior Lighting Systems Description and Operation
Outside Rearview Mirror Turn Signals
Left Tail Lamp
Outside Rearview Mirror Turn Signals
Outside Rearview Mirror Turn Signals
G104
Turn Signal/Flasher Module and Hazard Switch
Turn Signal/Flasher Module and Hazard Switch
Headlamp Switch and Park Lamp Relay
Headlamp Switch and Park Lamp Relay