GM Service Manual Online
For 1990-2009 cars only
Makes
🢒
Cadillac
🢒
2003
🢒
DeVille
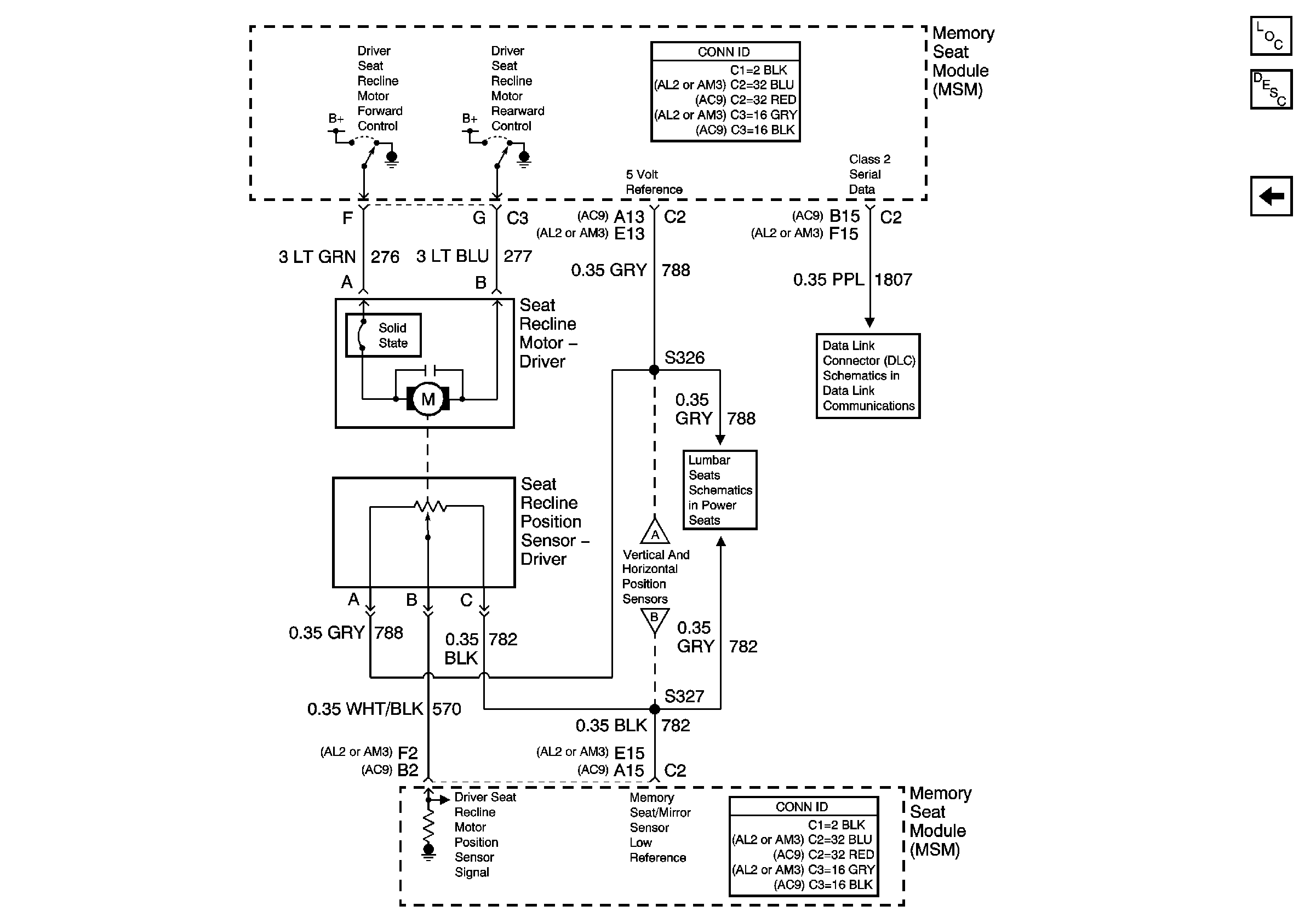
🢒 Recline Position Sensors and Class 2 (w/ A45/AC9)
Recline Position Sensors and Class 2 (w/ A45/AC9)
Recline Position Sensors and Class 2 (w/A45/AC9)
Master Electrical Component List
Memory Seats Description and Operation
Front/Rear Position Sensors (w/A45/AC9)
Class 2 Serial Data (3 of 3)
Driver Seat (w/ A45/AL2)
Front/Rear Position Sensors (w/A45/AC9)