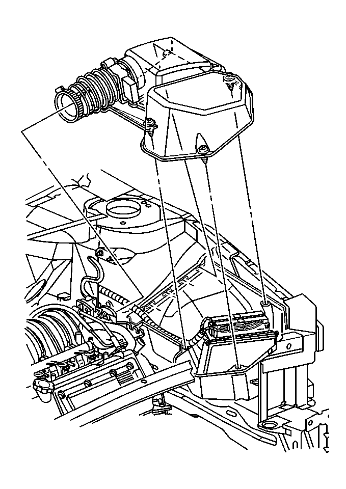
Removal Procedure
- Disconnect the mass air flow/intake air
temperature (MAF/IAT) sensor electrical connector.
- Loosen the air cleaner intake and MAF/IAT assembly clamps from
the throttle body side and air cleaner cover side.
- Remove the air cleaner intake and MAF/IAT assembly from the vehicle.
- Separate the Air cleaner intake duct from the MAF/IAT sensor.
Installation Procedure
- Combine the air cleaner intake duct and
mass air flow/intake air temperature (MAF/IAT) sensor.
- Install the air cleaner intake and MAF/IAT assembly on the throttle
body and air cleaner cover.
Notice: Use the correct fastener in the correct location. Replacement fasteners
must be the correct part number for that application. Fasteners requiring
replacement or fasteners requiring the use of thread locking compound or sealant
are identified in the service procedure. Do not use paints, lubricants, or
corrosion inhibitors on fasteners or fastener joint surfaces unless specified.
These coatings affect fastener torque and joint clamping force and may damage
the fastener. Use the correct tightening sequence and specifications when
installing fasteners in order to avoid damage to parts and systems.
- Inspect for proper
alignment of the air cleaner intake and MAF/IAT assembly and tighten the hose
clamps.
Tighten
Tighten the air cleaner intake and MAF/IAT assembly clamps to 3 N·m
(27 lb in).
- Connect the MAF/IAT sensor electrical connector.