GM Service Manual Online
For 1990-2009 cars only

Removal Procedure


    Object Number: 1212008  Size: SH
  1. Disconnect the electrical connector from the secondary air injection (AIR) shut-off valve.

  2. Object Number: 784720  Size: SH
  3. Remove the nut securing the intermediate hose/pipe to the AIR shut-off valve.
  4. Disconnect the intermediate hose from the AIR shut-off valve.

  5. Object Number: 1212009  Size: SH
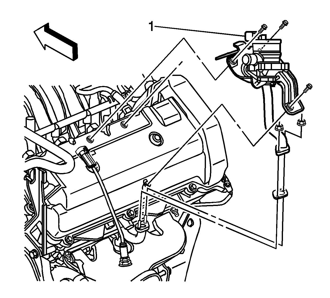
  6. Remove the 2 nuts securing the outlet pipe to the exhaust manifold.
  7. Remove the 3 bolts securing the AIR shut-off valve to the cam cover.
  8. Remove the AIR shut-off valve, outlet pipe, and bracket from the engine.

    Discard the gasket.

  9. Remove the 2 nuts securing the outlet pipe and bracket to the AIR shut-off valve.
  10. Discard the gasket.

Installation Procedure


    Object Number: 1212009  Size: SH
  1. Position the secondary air injection (AIR) shut-off valve with a new outlet pipe gasket to the outlet pipe and bracket.
  2. Notice: Refer to Fastener Notice in the Preface section.

  3. Install the 2 nuts securing the outlet pipe and bracket to the AIR shut-off valve.
  4. Tighten
    Tighten the nuts to 9 N·m (80 lb in).

  5. Position a new outlet pipe gasket to the exhaust manifold.
  6. Position the AIR shut-off valve with the bracket to the cam cover and exhaust manifold.
  7. Install the 3 bolts securing the AIR shut-off valve to the cam cover.
  8. Tighten
    Tighten the bolts to 9 N·m (80 lb in).

  9. Install the 2 nuts securing the outlet pipe to the exhaust manifold.
  10. Tighten
    Tighten the nuts to 9 N·m (80 lb in).


    Object Number: 784720  Size: SH
  11. Connect the intermediate hose to the AIR shut-off valve.
  12. Install the nut securing the intermediate hose/pipe to the AIR shut-off valve.
  13. Tighten
    Tighten the nut to 9 N·m (80 lb in).


    Object Number: 1212008  Size: SH
  14. Connect the electrical connector to the AIR shut-off valve.