GM Service Manual Online
For 1990-2009 cars only
Figure 1:

Front Blower Motor


Object Number: 797491  Size: FS
Master Electrical Component List
Air Temperature Description and Operation
Rear Blower Motor- Deville/DHS
G201 (1 of 3)
Rear Fuse Block- HVAC BLO, DRV MDL, PASS MDL, PWR TT, HTDST LR, HTDST RR, HTDST RF, DIM Fuses
Figure 2:

Rear Blower Motor-Deville/DHS


Object Number: 797494  Size: FS
Master Electrical Component List
Air Delivery Description and Operation
Rear Blower Motor- DTS
Front Blower Motor
Rear Fuse Block Battery Voltage
Class 2 Serial Data (1 of 3)
Steering Wheel Controls
G200
Figure 3:

Rear Blower Motor-DTS


Object Number: 797496  Size: FS
Master Electrical Component List
Air Temperature Description and Operation
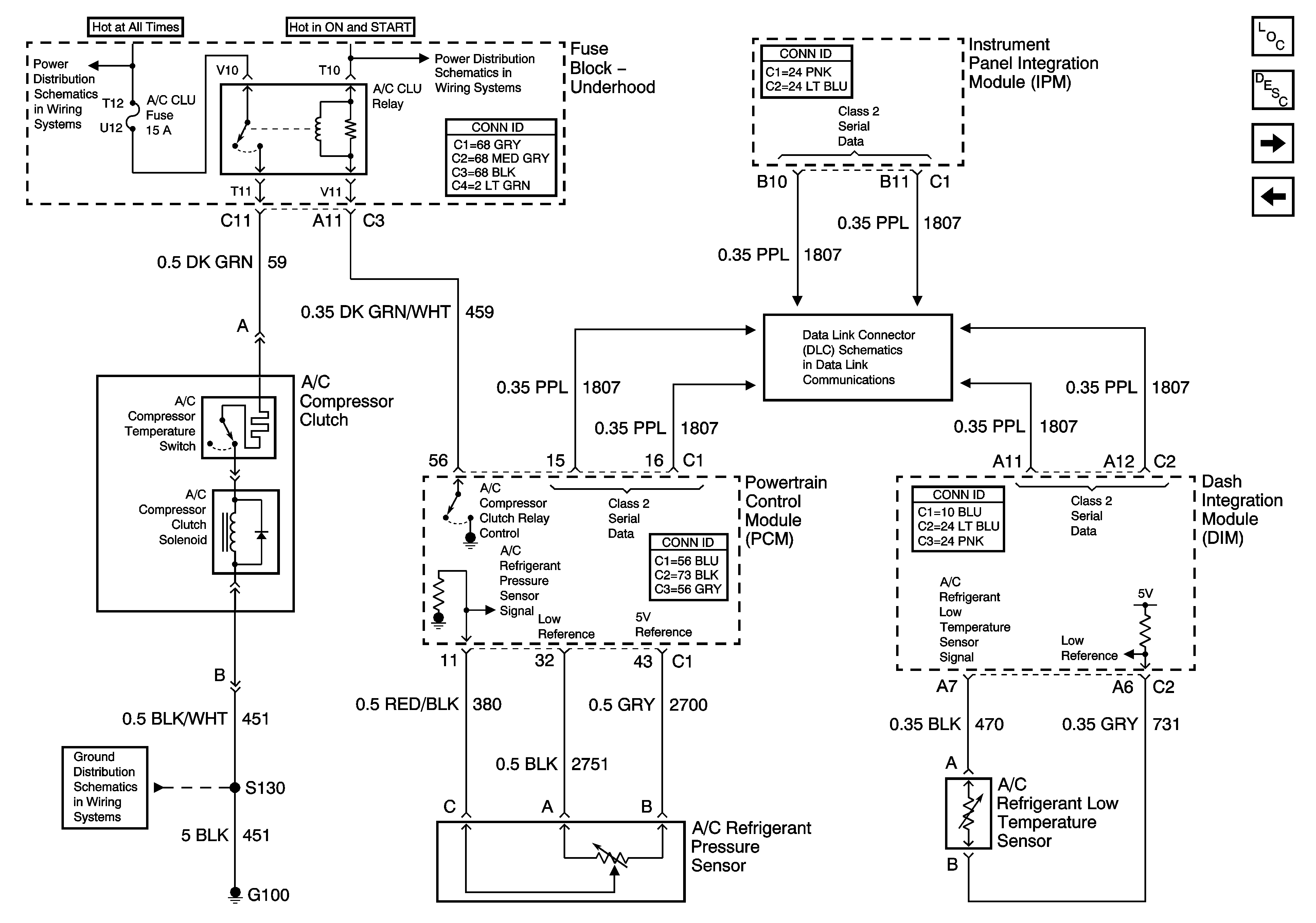
A/C Compressor Control
Rear Blower Motor- Deville/DHS
G200
G201 (2 of 3)
Rear Fuse Block- RR BLO, RRDR MDL, HVAC BAT, STOP LP, IGN SW, TSIG/HAZ Fuse
Class 2 Serial Data (1 of 3)
Steering Wheel Controls
Figure 4:

HVAC Compressor Control


Object Number: 1232514  Size: FS
Master Electrical Component List
Air Temperature Description and Operation
Steering Wheel Controls
Rear Blower Motor- DTS
Underhood Fuse Block Battery Voltage
Ignition Feeds to Underhood and Rear Fuse Blocks
Class 2 Serial Data (1 of 3)
G100
Figure 5:

Actuators and Air Temperature Control


Object Number: 797499  Size: FS
Master Electrical Component List
Air Temperature Description and Operation
Air Temperature and Sunload Sensor
Steering Wheel Controls
Air Temperature and Sunload Sensor
Rear Fuse Block- ELC, NIGHT VISION, HVAC, ABS Fuses
Figure 6:

Temperature Sensors


Object Number: 797500  Size: FS
Master Electrical Component List
Air Temperature Description and Operation
Auxiliary Mode Actuator- Deville/DHS
Actuators and Inside Air Temperature Sensor
Headlamp Switch (Export)
Headlamp Switch (Export)
Actuators and Inside Air Temperature Sensor
Figure 7:

Rear Actuator-DeVille/DHS


Object Number: 797504  Size: FS
Master Electrical Component List
Air Temperature Description and Operation
Auxiliary Mode Actuator- DTS
Air Temperature and Sunload Sensor
G200
Console Dimming
Class 2 Serial Data (1 of 3)
Rear Fuse Block- MEM TT, RRLUM/PWR ANT, HTDST LF Fuses
Rear Fuse Block- IGN 3 Relay, IGN 3 RR Fuse
Figure 8:

Rear Actuator-DTS


Object Number: 797505  Size: FS
Master Electrical Component List
Air Temperature Description and Operation
Auxiliary Mode Actuator- Deville/DHS
Rear Fuse Block- IGN 3 Relay, IGN 3 RR Fuse
G201 (2 of 3)
G201 (2 of 3)
Console Dimming
G201 (2 of 3)
Rear Fuse Block- MEM TT, RRLUM/PWR ANT, HTDST LF Fuses
Rear Fuse Block- IGN 3 Relay, IGN 3 RR Fuse
Figure 9:

Steering Wheel Controls


Object Number: 797497  Size: FS
Master Electrical Component List
Air Temperature Description and Operation
Actuators and Inside Air Temperature Sensor
A/C Compressor Control
HVAC Schematic Icons
Cruise Control Switches and Module Power and Gruond