GM Service Manual Online
For 1990-2009 cars only

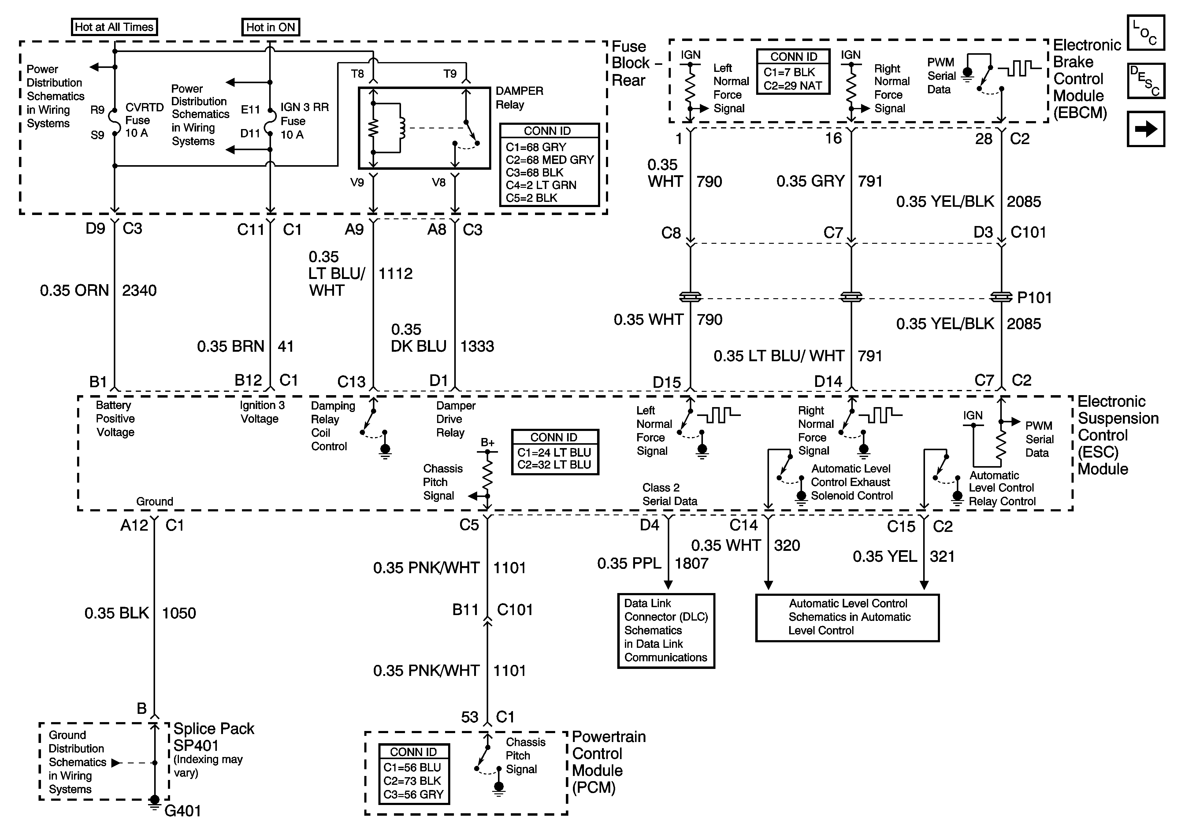
ESC Module Power and Ground

Electronic Suspension Control Module-Power and Ground


Object Number: 1232515  Size: FS
Master Electrical Component List
Electronic Suspension Control Description and Operation
Sensors and Actuators
w/ F45
Class 2 Serial Data (2 of 3)
G401
Rear Fuse Block- CVRTD, CIGAR, and RAP Fuses and Relays
Rear Fuse Block- IGN 3 Relay, IGN 3 RR Fuse