GM Service Manual Online
For 1990-2009 cars only
Makes
🢒
Cadillac
🢒
2004
🢒
DeVille
🢒 Cooling Fans
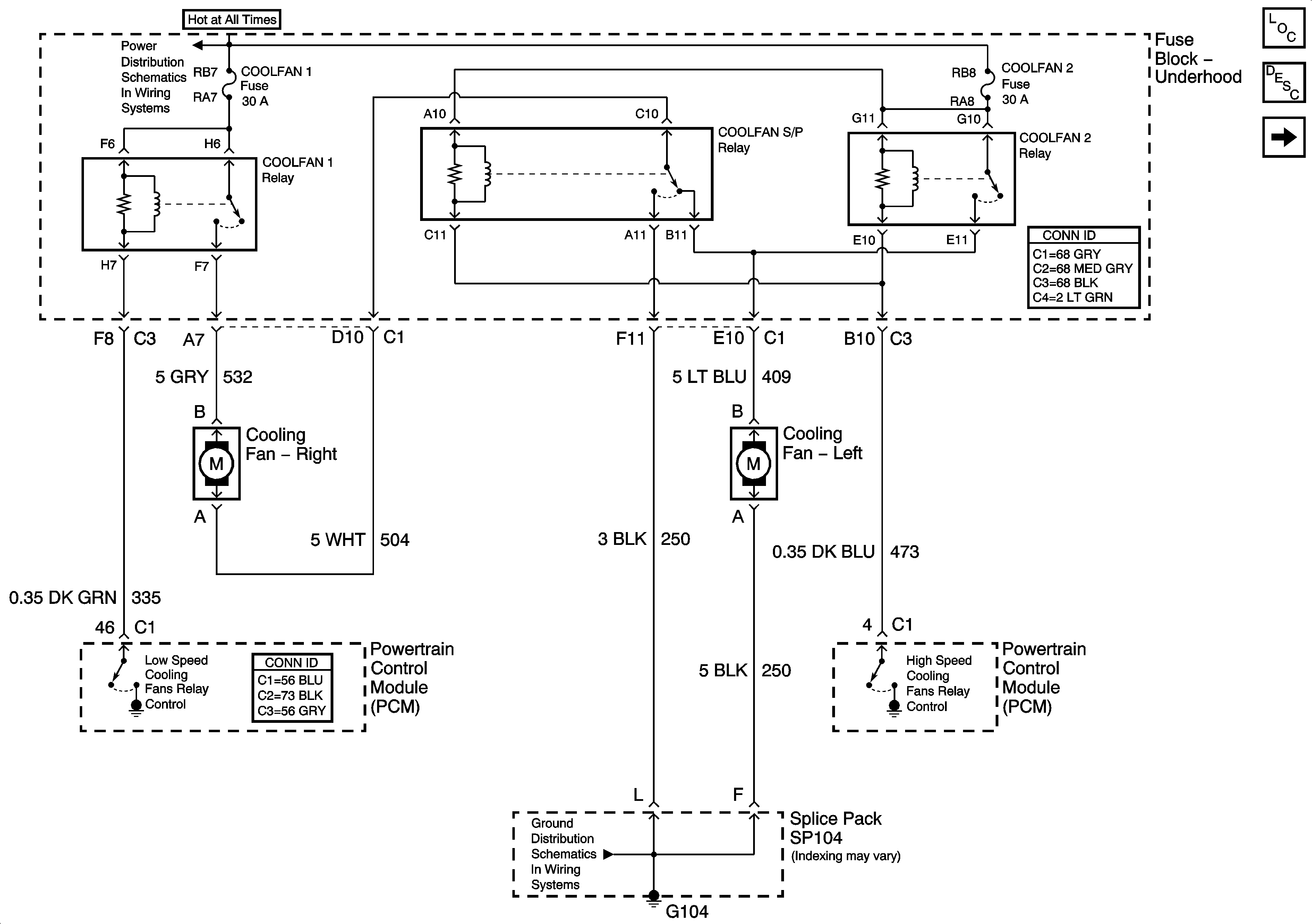
Cooling Fans
Cooling Fans
Master Electrical Component List
Cooling System Description and Operation
Coolant Level Switch
Cellular Telephone Module - Inputs and Outputs