GM Service Manual Online
For 1990-2009 cars only
Makes
🢒
Cadillac
🢒
2005
🢒
DeVille
🢒
Suspension
🢒
Automatic Level Control
🢒 Automatic Level Control Schematics
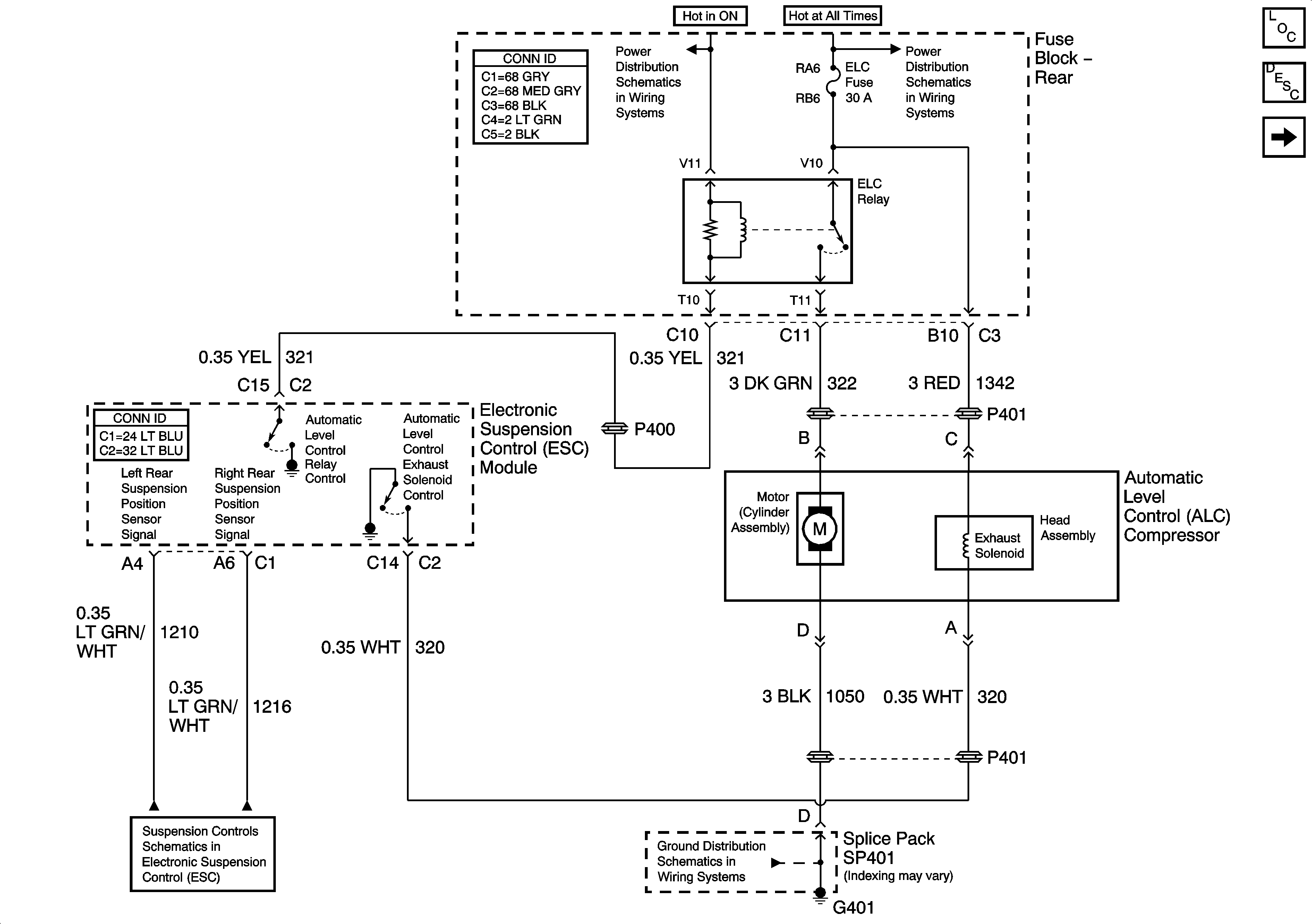
Figure
1:
w/F45
Master Electrical Component List
Automatic Level Control Description and Operation w/F45
w/o F45
Rear Fuse Block Battery Voltage
ELC, NIGHT VISION, HVAC, and ABS Fuses and ELC Relay
ESC Module Power and Ground
G401
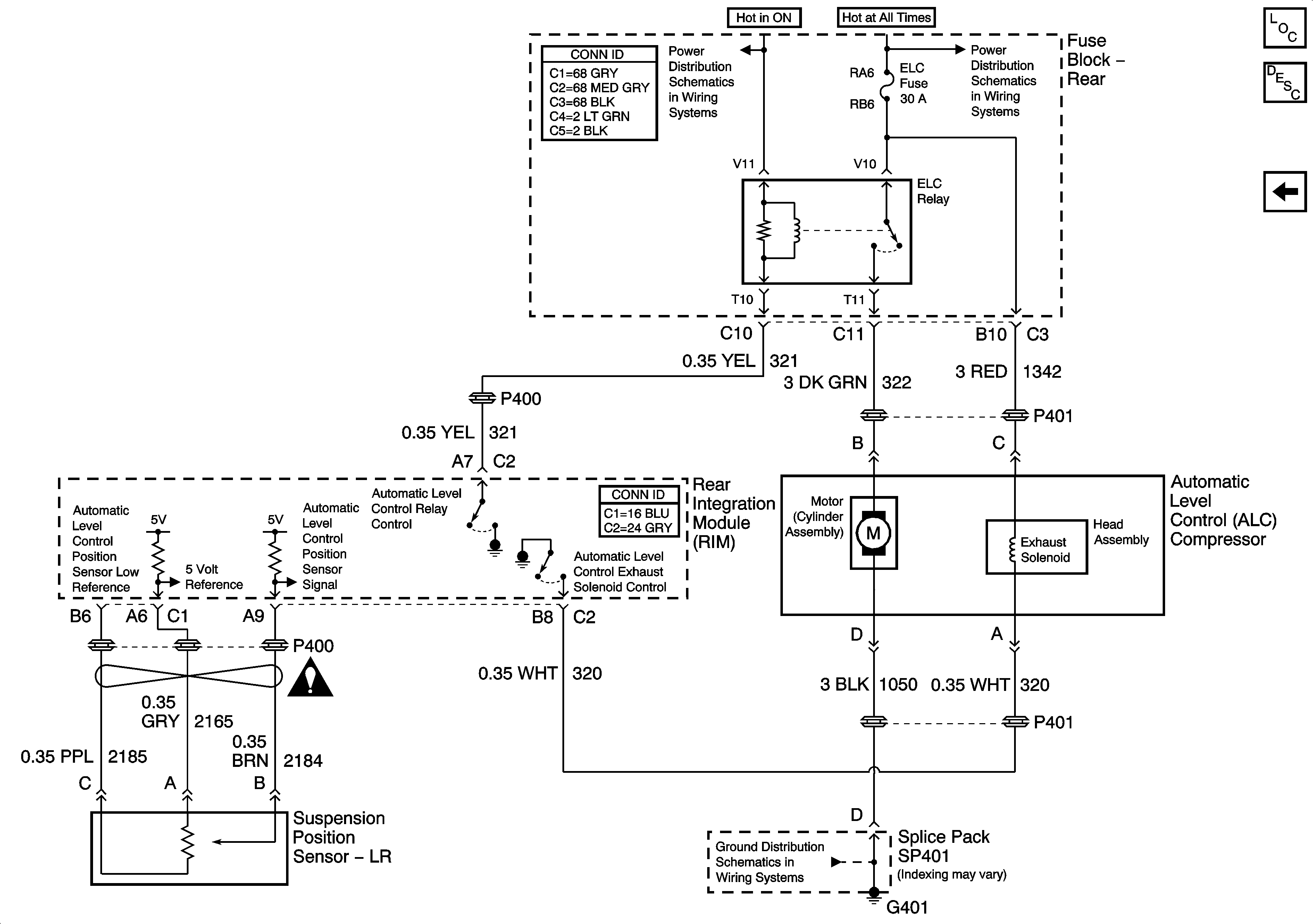
Figure
2:
w/o F45
Master Electrical Component List
Automatic Level Control Description and Operation w/o F45
w/ F45
Rear Fuse Block Battery Voltage
ELC, NIGHT VISION, HVAC, and ABS Fuses and ELC Relay
Automatic Level Control Schematic Icons
G401