GM Service Manual Online
For 1990-2009 cars only
Makes
🢒
Cadillac
🢒
2005
🢒
DeVille
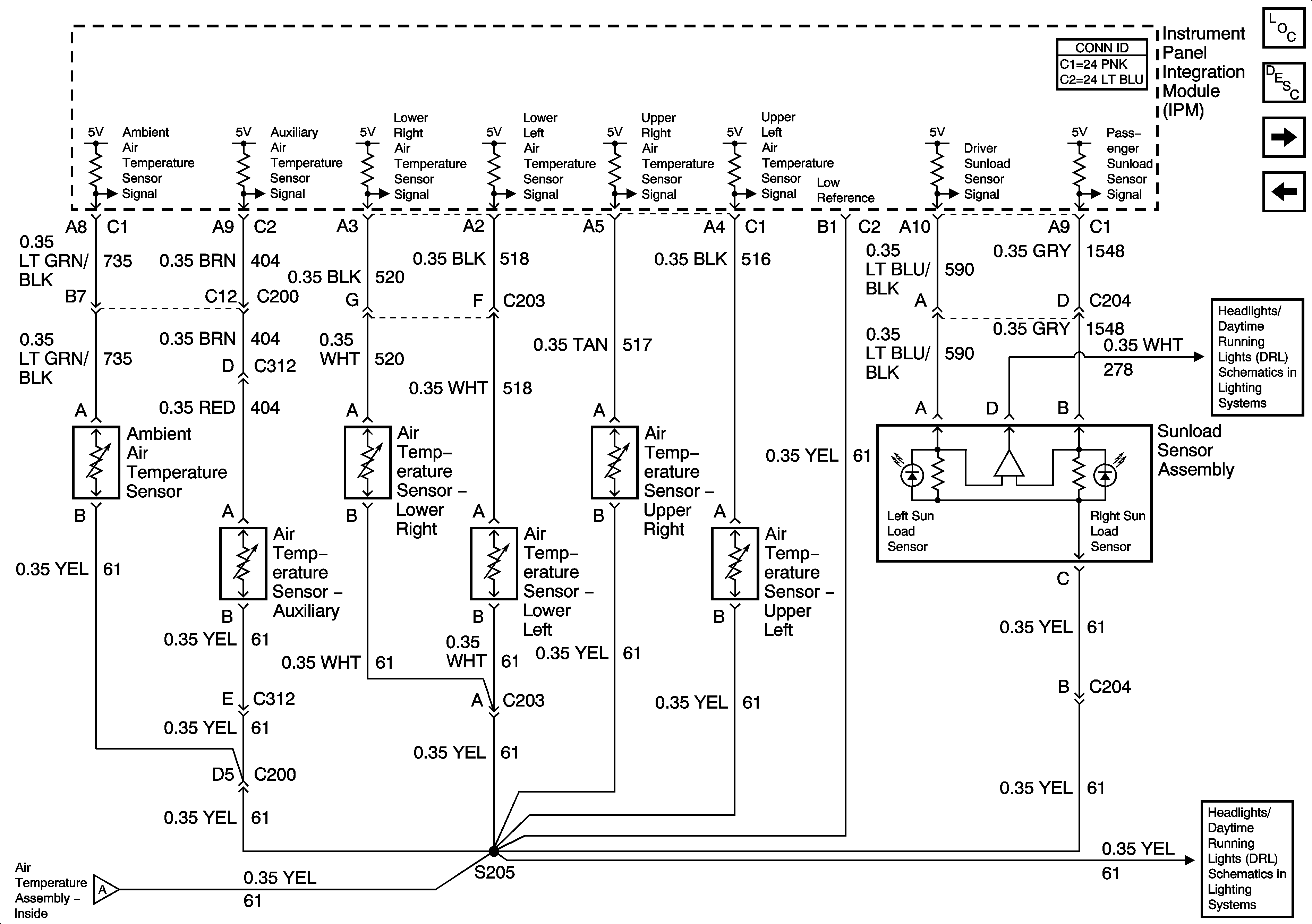
🢒 Air Temperature and Sunload Sensor
Air Temperature and Sunload Sensor
Temperature Sensors
Master Electrical Component List
Air Temperature Description and Operation
Auxiliary Mode Actuator (Deville/DHS)
Actuators and Inside Air Temperature Sensor
Headlamp Switch (Domestic)
Actuators and Inside Air Temperature Sensor
Headlamp Switch (Domestic)