GM Service Manual Online
For 1990-2009 cars only
Makes
🢒
Cadillac
🢒
2005
🢒
DeVille
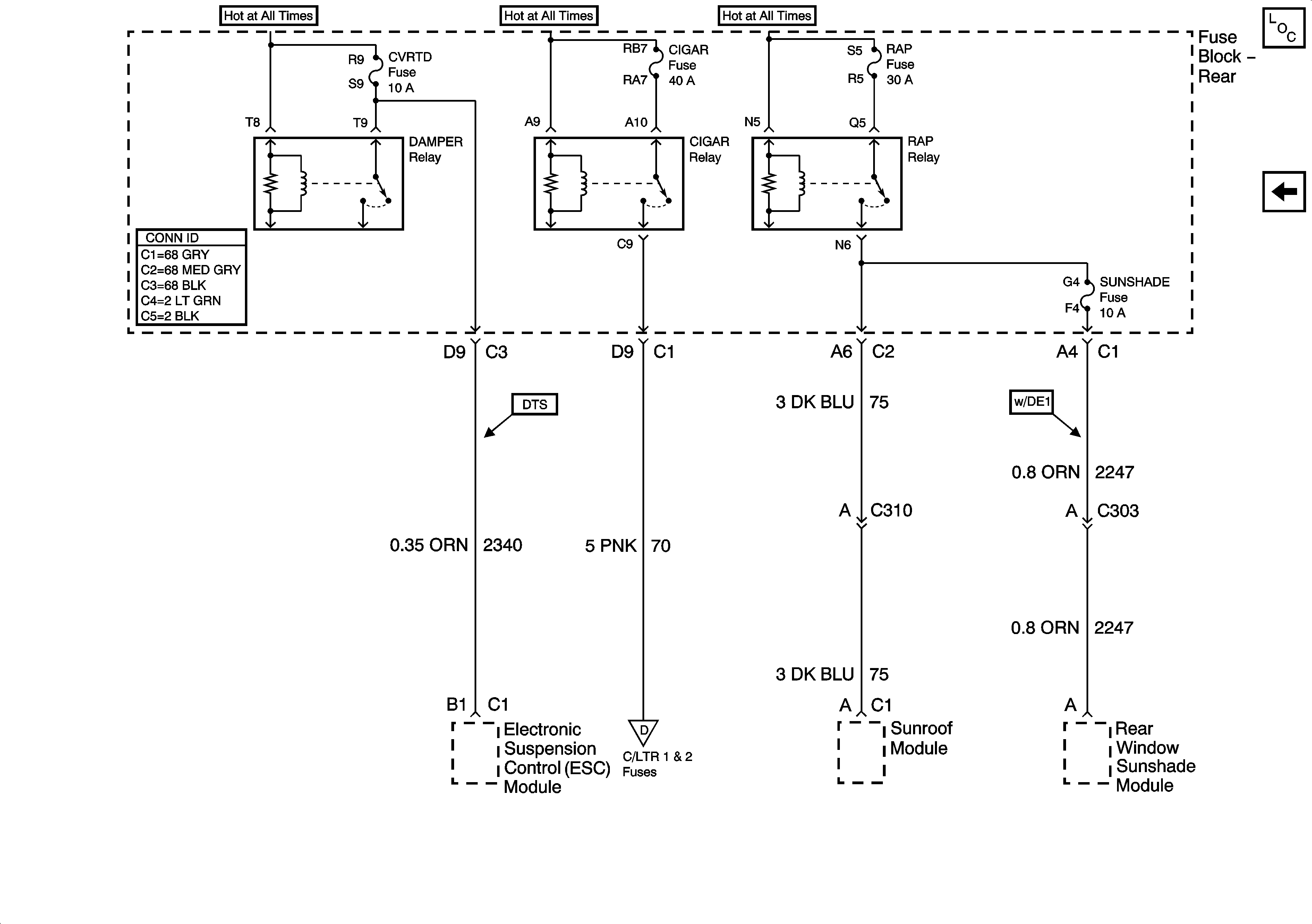
🢒 CVRTD, CIGAR, and RAP Fuses and Relays
CVRTD, CIGAR, and RAP Fuses and Relays
CVRTD, CIGAR, RAP, and SUNSHADE Fuses
Master Electrical Component List
ELC, NIGHT VISION, HVAC, and ABS Fuses and ELC Relay
ABS, AIR PUMP, C/LTR 1, and C/LTR 2 Fuses