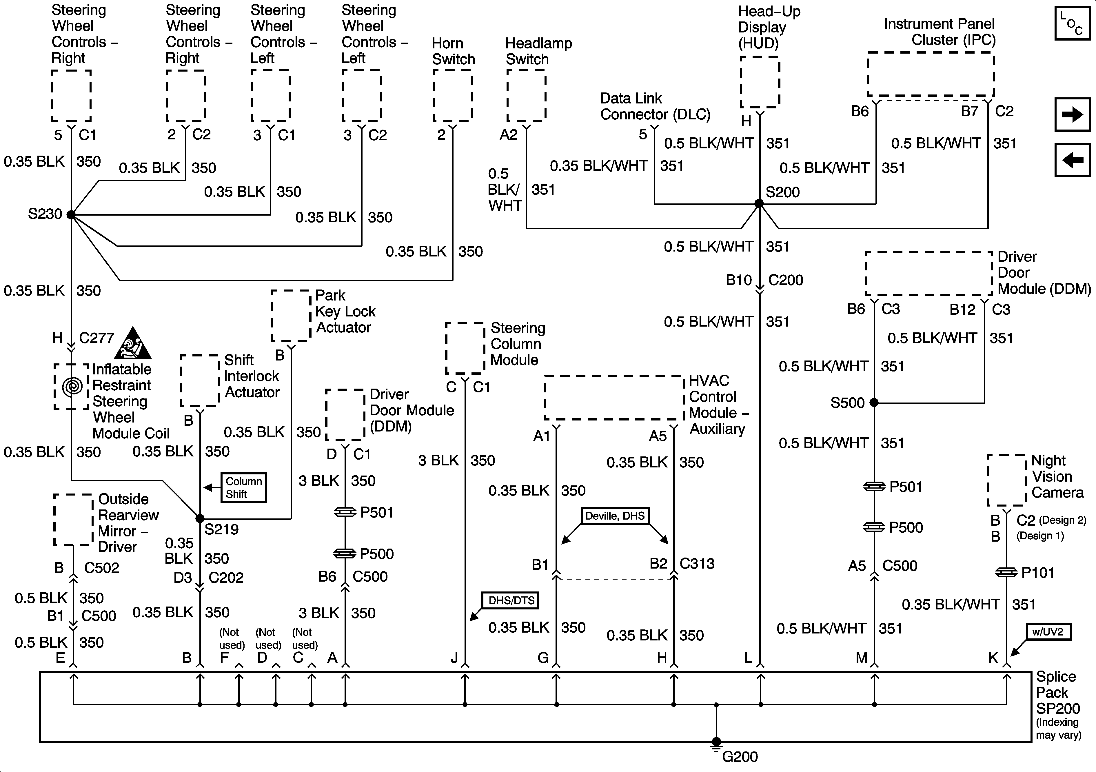
GM Service Manual Online
For 1990-2009 cars only
Makes
🢒
Cadillac
🢒
2005
🢒
DeVille
🢒 G200
G200
G200
Master Electrical Component List
G201 - 1 of 3
G104
SIR Caution for Zoning