GM Service Manual Online
For 1990-2009 cars only
Makes
🢒
Cadillac
🢒
2005
🢒
DeVille
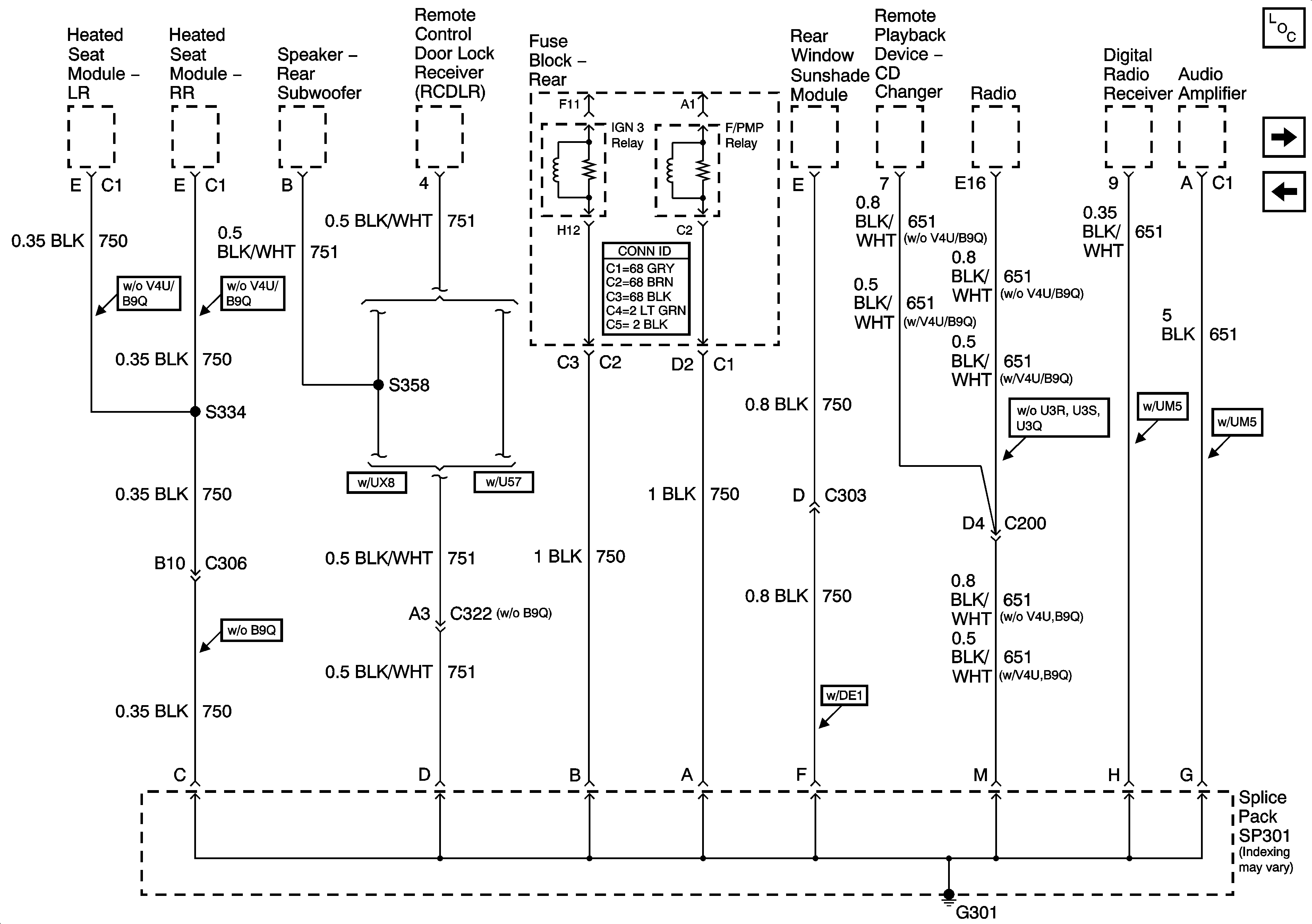
🢒 G301
G301
G301
Master Electrical Component List
G302 - 1 of 3
G300, G303, G304, and G306