GM Service Manual Online
For 1990-2009 cars only
Makes
🢒
Cadillac
🢒
2005
🢒
DeVille
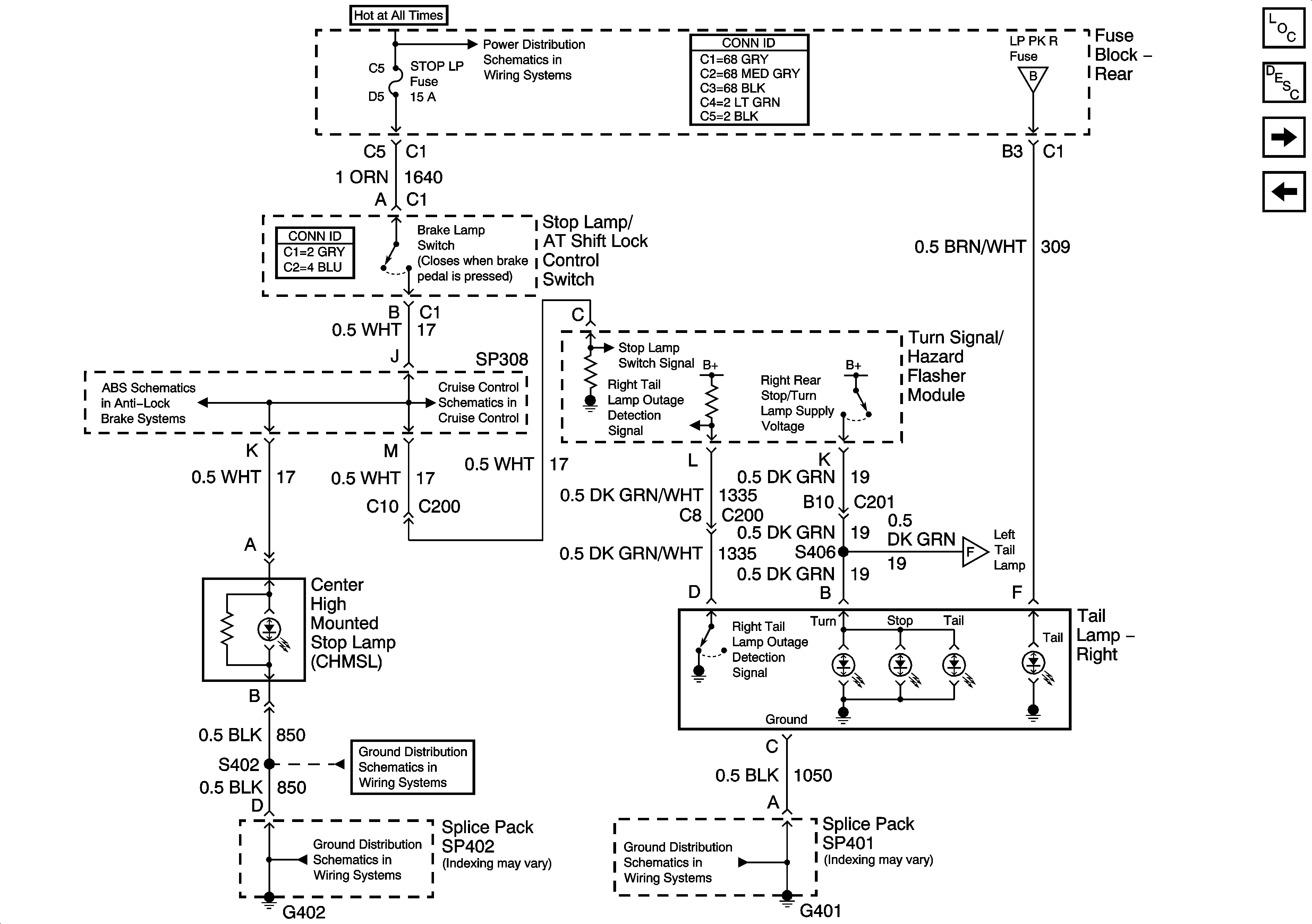
🢒 Right Tail Lamps
Right Tail Lamps
Right Tail Lamp
Master Electrical Component List
Exterior Lighting Systems Description and Operation
Left Tail Lamp
Flasher Module, Turn Signal and Hazard Switch
RR BLO, RRDR MDL, HVAC BAT, STOP LP, IGN SW, and TSIG/HAZ Fuses
Headlamp Switch and Park Lamp Relay
EBCM Power and Ground, Stop Lamp Switch, and BPMV
Cruise Control Module (CCM) Inputs
Left Tail Lamp
G402 - 1 of 2
G402 - 1 of 2
G401