GM Service Manual Online
For 1990-2009 cars only
Makes
🢒
Cadillac
🢒
2005
🢒
DeVille
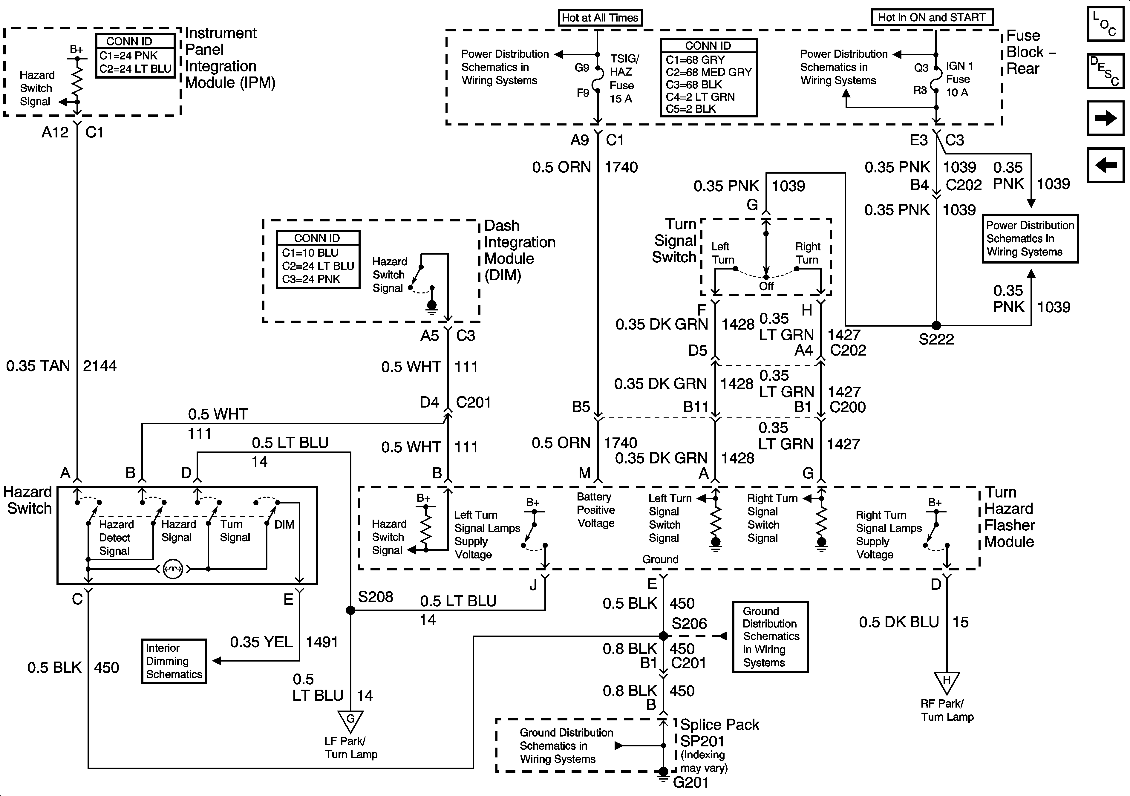
🢒 Turn Signal/Hazard Flasher Module and Hazard Switch
Turn Signal/Hazard Flasher Module and Hazard Switch
Turn/Hazard Flasher Module, Hazard Switch
Master Electrical Component List
Exterior Lighting Systems Description and Operation
Right Tail Lamp and Center High Mounted Stop Lamp
Headlamp Switch and Park Lamp Relay
RR BLO, RRDR MDL, HVAC BAT, STOP LP, IGN SW, and TSIG/HAZ Fuses
Rear Fuse Block Battery Voltage
SIR, VENT SOL, and IGN 1 Fuse and IGN 1 Relay
Instrument Panel Dimming
Front Park/Turn and Side Marker Lamps
G201 - 2 of 3
G201 - 2 of 3
Front Park/Turn and Side Marker Lamps