GM Service Manual Online
For 1990-2009 cars only
Makes
🢒
Cadillac
🢒
1998
🢒
Eldorado
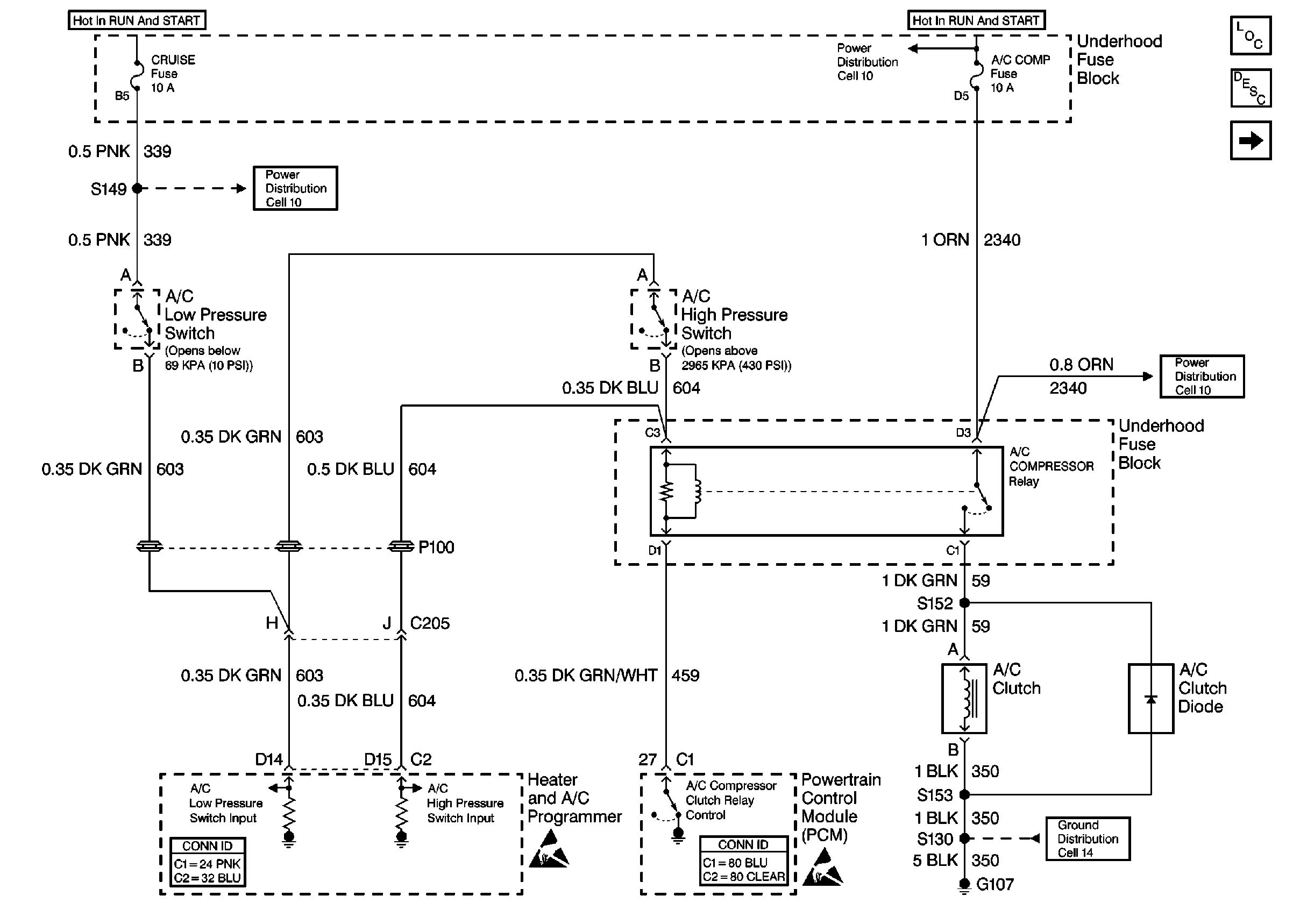
🢒 HVAC Compressor Control Schematics (Cell 67: A/C High and Low Pressure Sensors, A/C Compressor Relay)
HVAC Compressor Control Schematics (Cell 67: A/C High and Low Pressure Sensors, A/C Compressor Relay)
HVAC Compressor Control Schematics (Cell 67: A/C High and Low Pressure Sensors, A/C Compressor Relay)
HVAC Components
HVAC Compressor Controls Circuit Description
HVAC Compressor Control Schematics (Cell 67: Temperature Sensors)
Cell 10: PCM (BAT) and A/C COMP Fuses
Cell 10: CRUISE, DIS, and PCM (IGN) Fuses
HVAC Connector End Views
Handling ESD Sensitive Parts Notice
Handling ESD Sensitive Parts Notice
Cell 14: G107, G110