GM Service Manual Online
For 1990-2009 cars only
Makes
🢒
Cadillac
🢒
1998
🢒
Eldorado
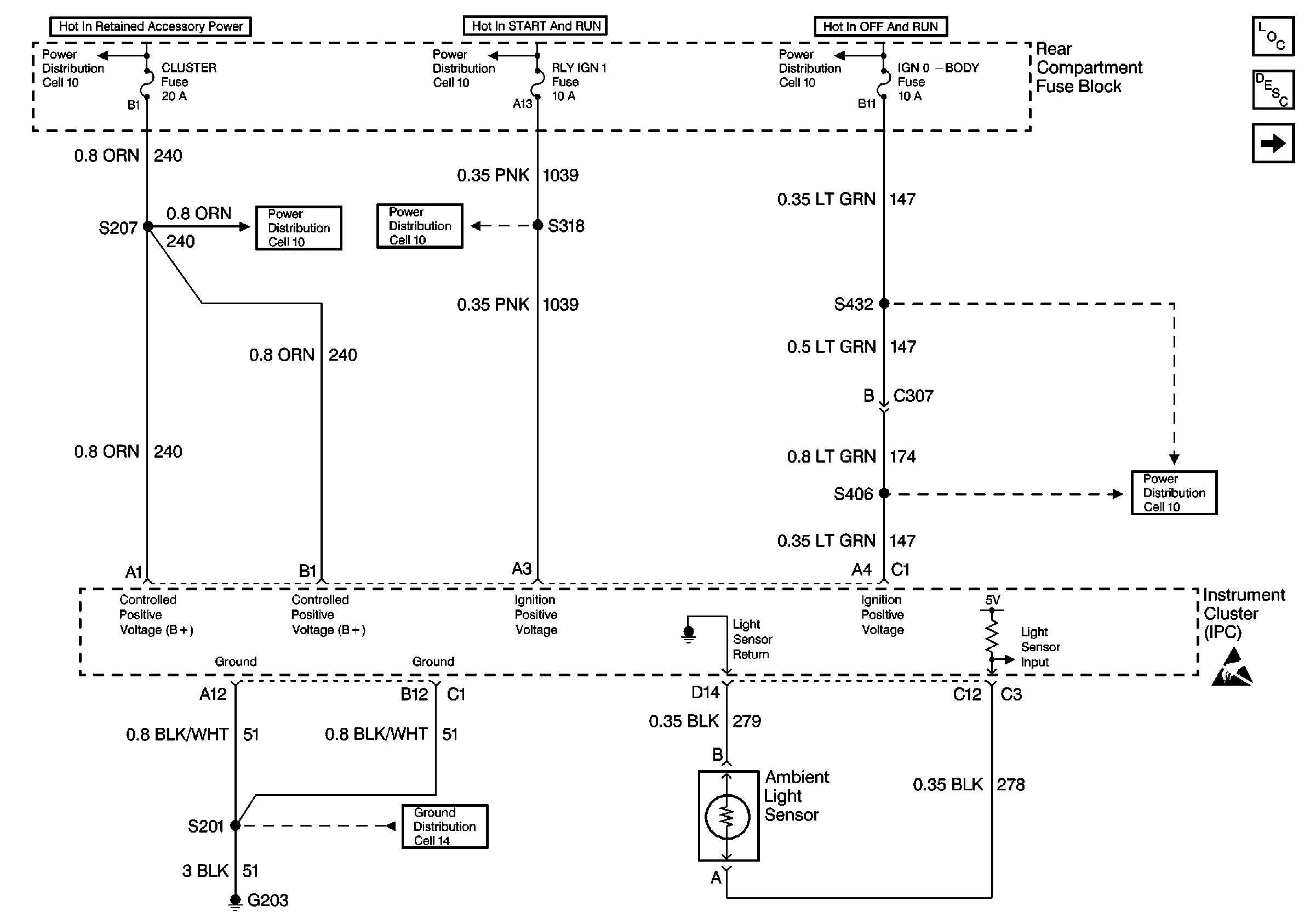
🢒 Cell 117: Power, Ground, and Ambient Light Sensor
Cell 117: Power, Ground, and Ambient Light Sensor
Cell 117: Power, Ground, and Ambient Light Sensor
Lighting Systems Components
Interior Lights Dimming Circuit Description
Cell 117: Headlamp Switch
Power Distribution Schematics
Power Distribution Schematics
Power Distribution Schematics
Power Distribution Schematics
Power Distribution Schematics
Ground Distribution Schematics
Power Distribution Schematics
Handling ESD Sensitive Parts Notice