GM Service Manual Online
For 1990-2009 cars only
Makes
🢒
Cadillac
🢒
1999
🢒
Eldorado
🢒
Body and Accessories
🢒
Body Rear End
🢒 Release Systems Schematics
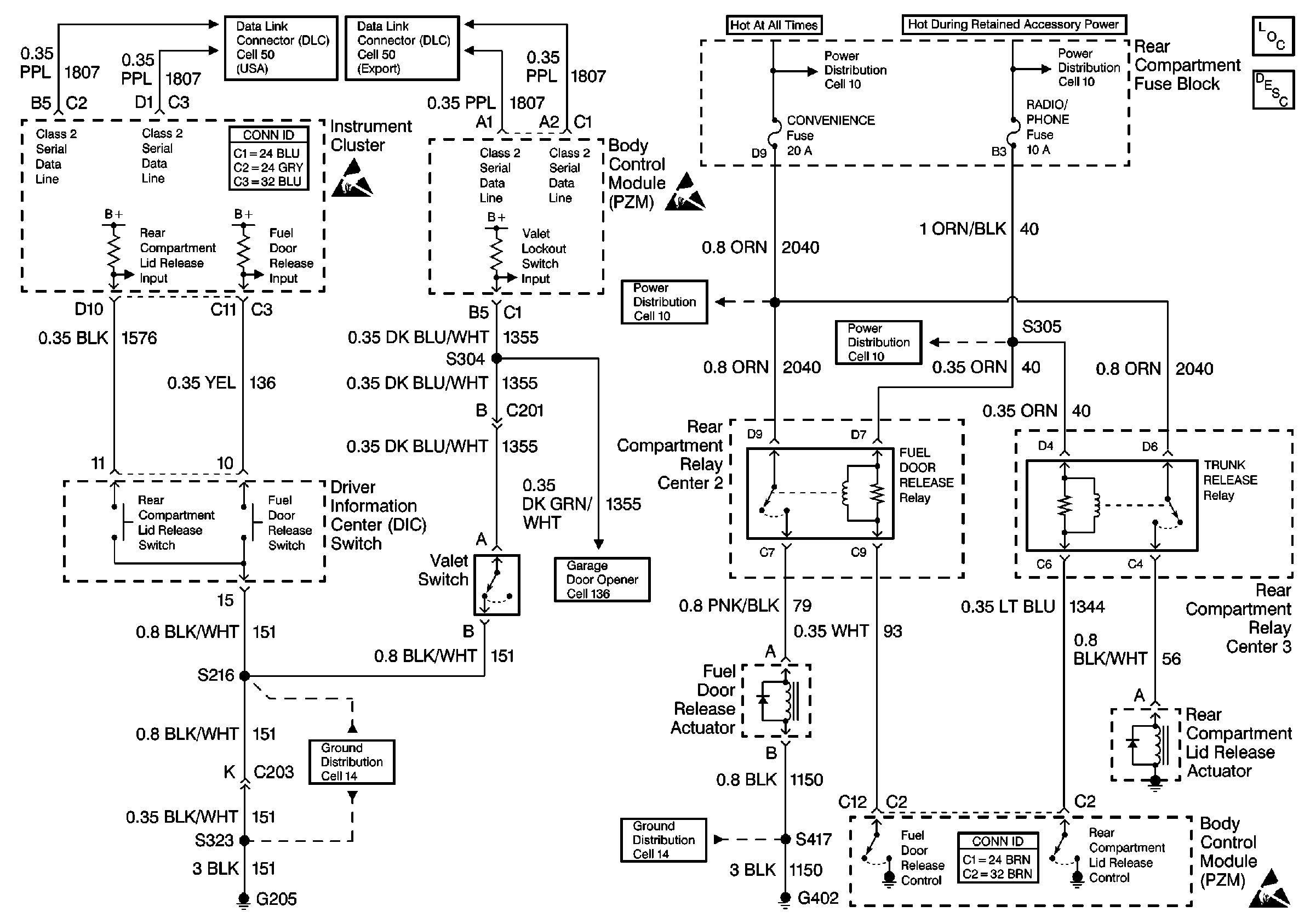
Figure
1:
Cell 134: Eldorado
Body Rear End Components
Body Rear End Description
Data Link Connector Schematics
Handling ESD Sensitive Parts Notice
Handling ESD Sensitive Parts Notice
Garage Door Opener Connector End Views
Ground Distribution Schematics
Power Distribution Schematics
Power Distribution Schematics
Power Distribution Schematics
Ground Distribution Schematics
Body Control System Connector End Views
Instrument Panel, Gages, and Console Connector End Views
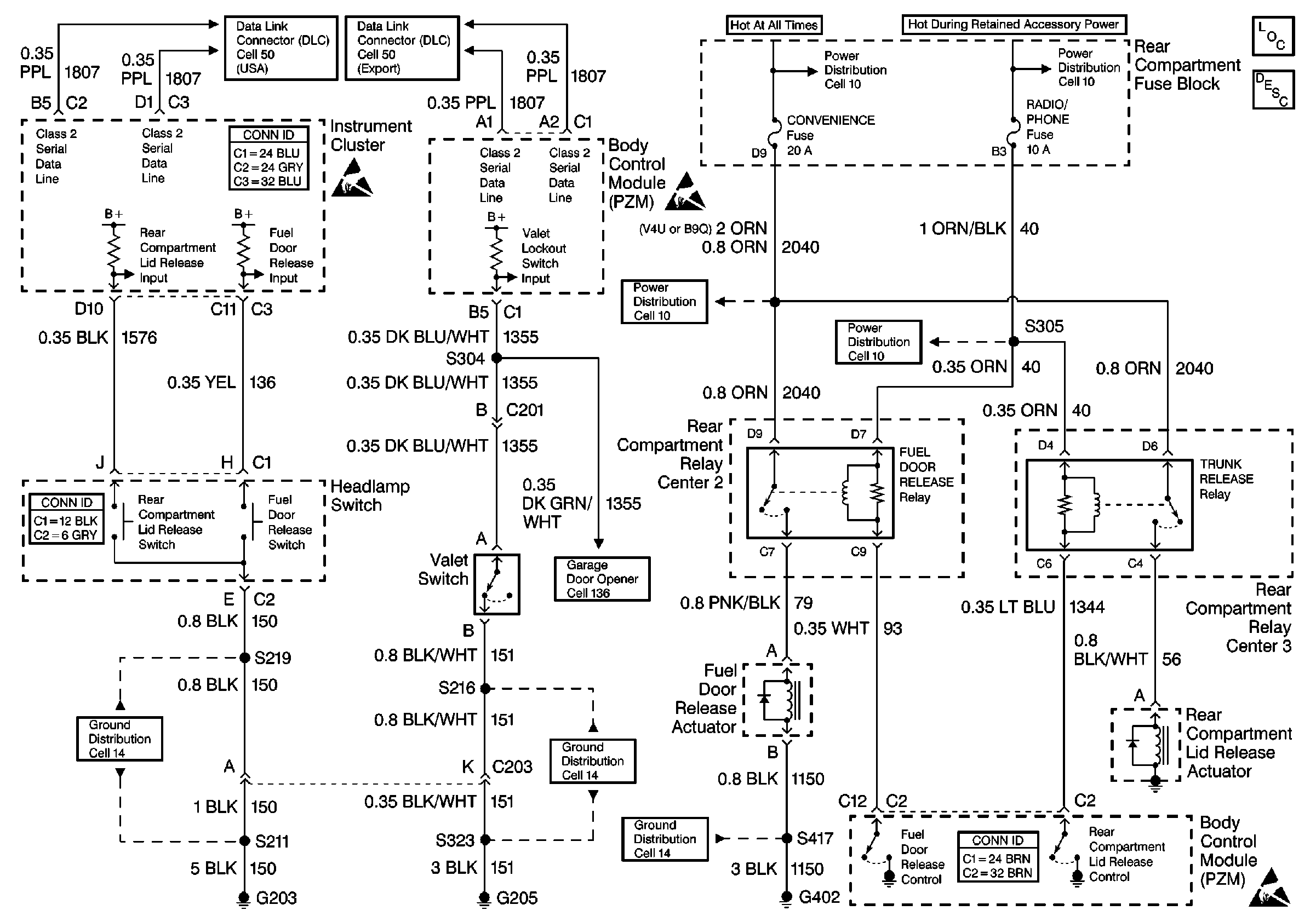
Figure
2:
Cell 134: Deville
Body Rear End Components
Body Rear End Description
Power Distribution Schematics
Ground Distribution Schematics
Power Distribution Schematics
Power Distribution Schematics
Ground Distribution Schematics
Ground Distribution Schematics
Garage Door Opener Schematics
Data Link Connector Schematics
Instrument Panel, Gages, and Console Connector End Views
Body Control System Connector End Views
Handling ESD Sensitive Parts Notice
Handling ESD Sensitive Parts Notice
Handling ESD Sensitive Parts Notice