GM Service Manual Online
For 1990-2009 cars only
Makes
🢒
Cadillac
🢒
1999
🢒
Eldorado
🢒 Cell 117: Front Door Backlighting - Eldorado
Cell 117: Front Door Backlighting - Eldorado
Cell 117: Front Door Backlighting -- Eldorado
Lighting Systems Components
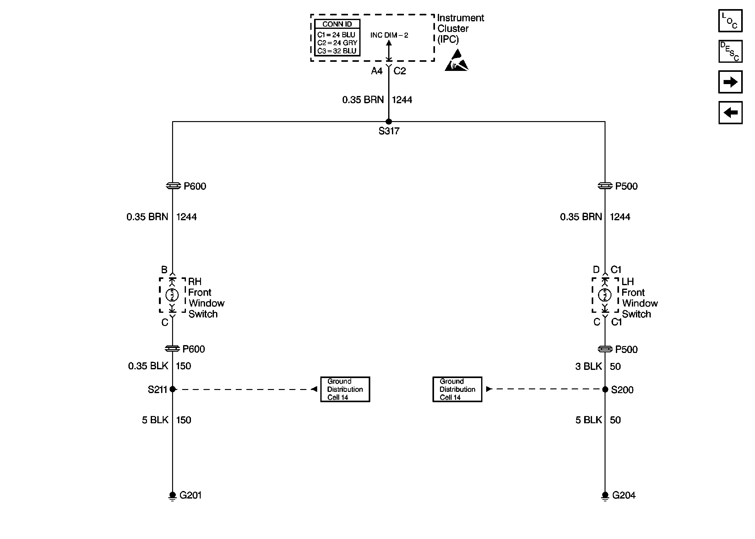
Interior Lights Dimming Circuit Description
Cell 117: Instrument Panel Backlighting
Cell 117: Rear Door Backlighting - DeVille
Handling ESD Sensitive Parts Notice
Ground Distribution Schematics
Ground Distribution Schematics
Instrument Panel, Gages, and Console Connector End Views