GM Service Manual Online
For 1990-2009 cars only
Makes
🢒
Cadillac
🢒
1999
🢒
Eldorado
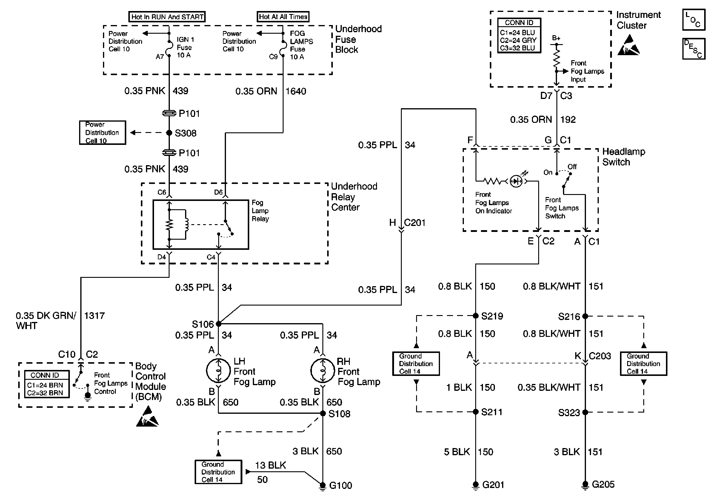
🢒 Cell 103: Front Fog Lamps
Cell 103: Front Fog Lamps
Cell 103: Front Fog Lamps
Lighting Systems Components
Fog Lights Circuit Description
Power Distribution Schematics
Power Distribution Schematics
Power Distribution Schematics
Ground Distribution Schematics
Ground Distribution Schematics
Ground Distribution Schematics
Handling ESD Sensitive Parts Notice
Handling ESD Sensitive Parts Notice
Body Control System Connector End Views
Instrument Panel, Gages, and Console Connector End Views