GM Service Manual Online
For 1990-2009 cars only
Makes
🢒
Cadillac
🢒
1999
🢒
Eldorado
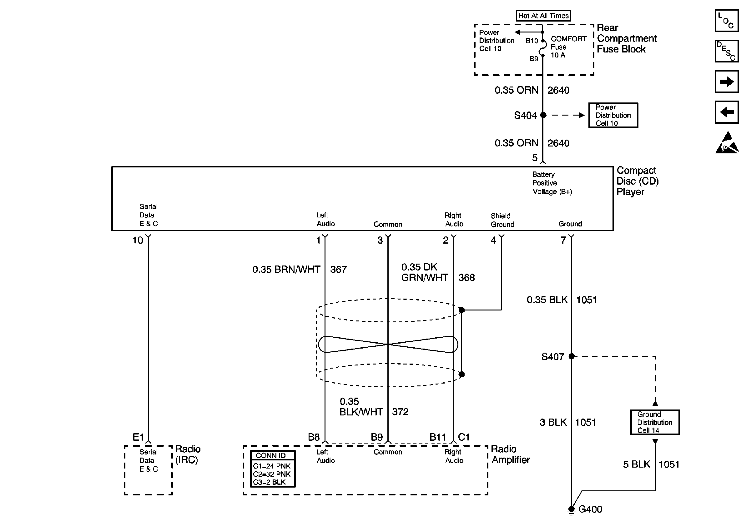
🢒 Cell 150: Compact Disc (CD) Player (w/UQ6 and U1S)
Cell 150: Compact Disc (CD) Player (w/UQ6 and U1S)
Cell 150: Compact Disc (CD) Player (w/UQ6 and U1S)
Entertainment Components
Power Antenna System Circuit Description
Cell 150: Radio Amplifier and Speakers (w/UQ6)
Cell 150: Radio and Radio Amplifier (w/UQ6)
Handling ESD Sensitive Parts Notice
Cell 10: BODY 3 Fuse
Cell 10: COMFORT Fuse
Cell 14: G400 (1 of 2)