GM Service Manual Online
For 1990-2009 cars only
Makes
🢒
Cadillac
🢒
1999
🢒
Eldorado
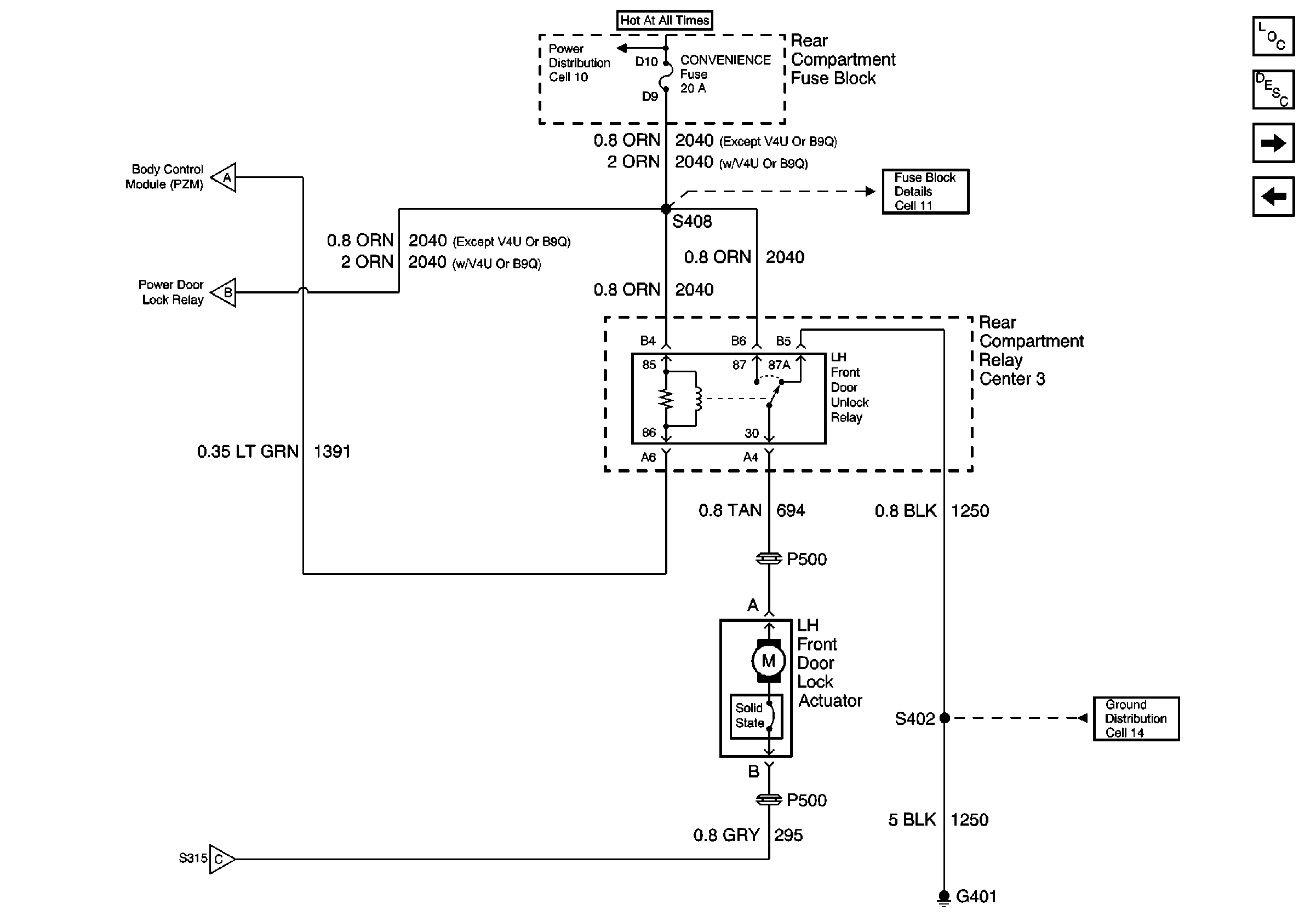
🢒 Cell 130: Left Front Door Lock Actuator (Deville)
Cell 130: Left Front Door Lock Actuator (Deville)
Cell 130: Left Front Door Lock Actuator (Deville)