GM Service Manual Online
For 1990-2009 cars only

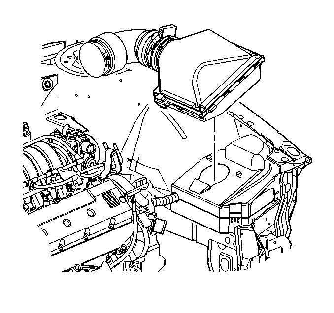
Removal Procedure


    Object Number: 602324  Size: SH

    Important: It is necessary to record the remaining engine oil life. If the replacement module is not programed with the remaining engine oil life, the engine oil life will default to 100%. If the replacement module is not programmed with the remaining engine oil life, the engine oil will need to be changed at 5000 km (3,000 mi) from the last engine oil change.

    Important: It is necessary to record the remaining automatic transmission fluid life. If the replacement module is not programed with the remaining automatic transmission fluid life, the automatic transmission fluid life will default to 100%. If the replacement module is not programmed with the remaining automatic transmission fluid life, the automatic transmission fluid will need to be changed at 83000 km (50,000 mi) from the last automatic transmission fluid change.

  1. Using a scan tool, retrieve the percentage of remaining engine oil and the remaining automatic transmission fluid life. Record the remaining engine oil and the remaining automatic transmission fluid life.
  2. Important: The key must be in the LOCK position for a minimum of 30 seconds prior to disconnecting power to the PCM. This allows the PCM to store the vehicle information into the EEPROM. Failure to wait the 30 seconds may result in a EEPROM reset and the fluid life indexes being reset to 0.

  3. Disconnect the negative battery cable.
  4. Remove the brace from between the LH fender and the radiator core support.
  5. Disconnect the MAF/IAT sensor electrical connector.
  6. Loosen the intake air duct clamp at the throttle body.
  7. Lift the air cleaner element assembly off of the air inlet assembly locating pins.
  8. Slide the air cleaner element assembly toward the fender to separate the air cleaner element assembly from the air inlet assembly.
  9. Remove the Intake Air duct/air cleaner assembly.

  10. Object Number: 602325  Size: MH
  11. Open the air inlet housing to gain access to the PCM.
  12. Loosen the connector attaching bolts.
  13. Disconnect both PCM connectors.

Installation Procedure


    Object Number: 602325  Size: MH

    Important: The replacement PCM must be programmed (flashed using the latest Techline equipment and procedures.

    Important: Be sure to transfer the PCM isolators to the replacement PCM.

  1. Slide the PCM Isolators on to the PCM.
  2. Notice: Use the correct fastener in the correct location. Replacement fasteners must be the correct part number for that application. Fasteners requiring replacement or fasteners requiring the use of thread locking compound or sealant are identified in the service procedure. Do not use paints, lubricants, or corrosion inhibitors on fasteners or fastener joint surfaces unless specified. These coatings affect fastener torque and joint clamping force and may damage the fastener. Use the correct tightening sequence and specifications when installing fasteners in order to avoid damage to parts and systems.

  3. Install the PCM connectors.
  4. Tighten
    Tighten the PCM connectors screws to 8 N·m (71 lb in).

  5. Place the PCM into the air inlet housing.
  6. Close and latch the air inlet housing.

  7. Object Number: 602324  Size: SH
  8. Ensure that the locating pin grommets are present and properly positioned in the bottom of the air cleaner assembly.
  9. Install the air inlet housing by inserting the outboard locating pin into the inside fender alignment hole.
  10. Press the air inlet housing firmly down to engage the bottom locating pins.
  11. Install the intake air duct/air cleaner assembly onto the air inlet housing.
  12. Important: An improperly installed air cleaner or a distorted /missing Intake Air Duct may cause a DTC to set. Ensure that the following areas are checked:

       • The air cleaner assembly and Intake air duct is installed correctly and that there are no kinks or folds in the duct
       • No debris in the air cleaner assembly or the MAF sensor inlet screen that may distort the air flow.
       • No signs of damage to the air cleaner assembly or the intake air duct. If a problem is found, replace as necessary.

  13. Install the Intake Air duct to the throttle body.
  14. Tighten
    Tighten the intake air duct clamp to 3 N·m (27 lb in).

  15. Install the brace between the LH fender and the radiator core support.
  16. Tighten
    Tighten the brace bolts to 24 N·m (18 lb ft).

  17. Reconnect the MAF/IAT sensor connector.
  18. Connect the negative battery cable.
  19. Start the engine. If the engine fails to start verify the following:
  20. • The PCM contains the correct program (DTC P0602 not set).
    • The PCM connectors are fully engaged into the PCM.
    • That all fuses are present and not blown.
  21. Connect a scan tool and perform the following:
  22. • Clear DTC P0603.
    • Use the scan tool to reset the transaxle fluid lifre to that recorded prior to PCM replacement.
    • Use the scan tool to reset the engine oil life to that recorded prior to PCM replacement.
    • Perform the Theft Deterrent Learn Procedures. Refer to Programming Replacement Keys, Ignition Cylinder, or Powertrain Control Module in Theft Deterrent.
    • Perform the CKP System Variation Learn Procedure. Refer to Crankshaft Position System Variation Learn .
    • Perform the TP Sensor Learn Procedure. Refer to Throttle Position Sensor Replacement .
    • Perform the IAC Valve Learn Procedure. Refer to Idle Air Control Valve Replacement .