GM Service Manual Online
For 1990-2009 cars only

Removal Procedure

Tools Required

J 39500-B A/C Refrigerant Recovery, Recycling and Recharging (ACR4) System

  1. Recover the refrigerant. Refer to Refrigerant Recovery and Recharging .

  2. Object Number: 304981  Size: SH
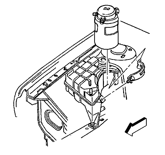
  3. Remove the accumulator inlet and outlet fittings.
  4. Remove the accumulator retention bolts.

  5. Object Number: 304984  Size: SH
  6. Remove the accumulator from the mounting bracket.
  7. Remove the insulator cover from the accumulator.

Installation Procedure

Tools Required

J 39400 Electronic Halogen Leak Detector

  1. Install the insulator cover to the accumulator.

  2. Object Number: 304984  Size: SH
  3. Install the accumulator to the mounting bracket.
  4. Notice: Use the correct fastener in the correct location. Replacement fasteners must be the correct part number for that application. Fasteners requiring replacement or fasteners requiring the use of thread locking compound or sealant are identified in the service procedure. Do not use paints, lubricants, or corrosion inhibitors on fasteners or fastener joint surfaces unless specified. These coatings affect fastener torque and joint clamping force and may damage the fastener. Use the correct tightening sequence and specifications when installing fasteners in order to avoid damage to parts and systems.

  5. Install the retention bolts.
  6. Tighten
    Tighten the accumulator retention bolts to 4 N·m (35 lb in).

  7. Install new dual O-rings.

  8. Object Number: 304981  Size: SH
  9. Install the inlet and outlet refrigerant lines to the accumulator.
  10. Tighten
    Tighten the dual O-ring fittings at the accumulator to 24 N·m (18 lb ft).

  11. Recharge the A/C system. Refer to Refrigerant Recovery and Recharging
  12. Leak test the A/C system. Refer to Leak Testing .