GM Service Manual Online
For 1990-2009 cars only

Removal Procedure

  1. Remove the upper filler panel. Refer to Filler Panel Replacement - Upper .

  2. Object Number: 365036  Size: SH
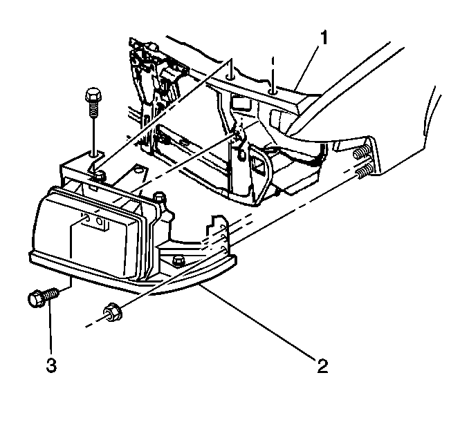
  3. Remove the cornering lamp assembly (2). Refer to Cornering Lamp Replacement .

  4. Object Number: 365032  Size: SH
  5. Remove the 3 bolts (3) retaining the headlamp housing (2) to the bracket.
  6. Disconnect the electrical connector.
  7. Caution: Halogen bulbs contain gas under pressure. Handling a bulb improperly could cause it to shatter into flying glass fragments. To help avoid personal injury:

       • Turn off the lamp switch and allow the bulb to cool before changing the bulb.
       • Leave the lamp switch OFF until the bulb change is complete.
       • Always wear eye protection when changing a halogen bulb.
       • Handle the bulb only by its base. Avoid touching the glass.
       • Keep dirt and moisture off the bulb.
       • Properly dispose of the used bulb.
       • Keep halogen bulbs out of the reach of children.

  8. Partially remove the headlamp housing (2).

  9. Object Number: 365030  Size: SH
  10. Remove the headlamp bulb (3) from the headlamp housing (2).

Installation Procedure


    Object Number: 365030  Size: SH
  1. Install the headlamp bulb (3) to the headlamp housing (2).
  2. Connect the electrical connector to the headlamp.

  3. Object Number: 365032  Size: SH
  4. Install the 3 bolts (3) in order to retain the headlamp housing (2) to the bracket.

  5. Object Number: 365036  Size: SH
  6. Install the cornering lamp housing (2). Refer to Cornering Lamp Replacement .
  7. Install the upper filler panel. Refer to Filler Panel Replacement - Upper .