GM Service Manual Online
For 1990-2009 cars only
Makes
🢒
Cadillac
🢒
2000
🢒
Eldorado
🢒
Body and Accessories
🢒
Entertainment
🢒 Power Antenna Schematics
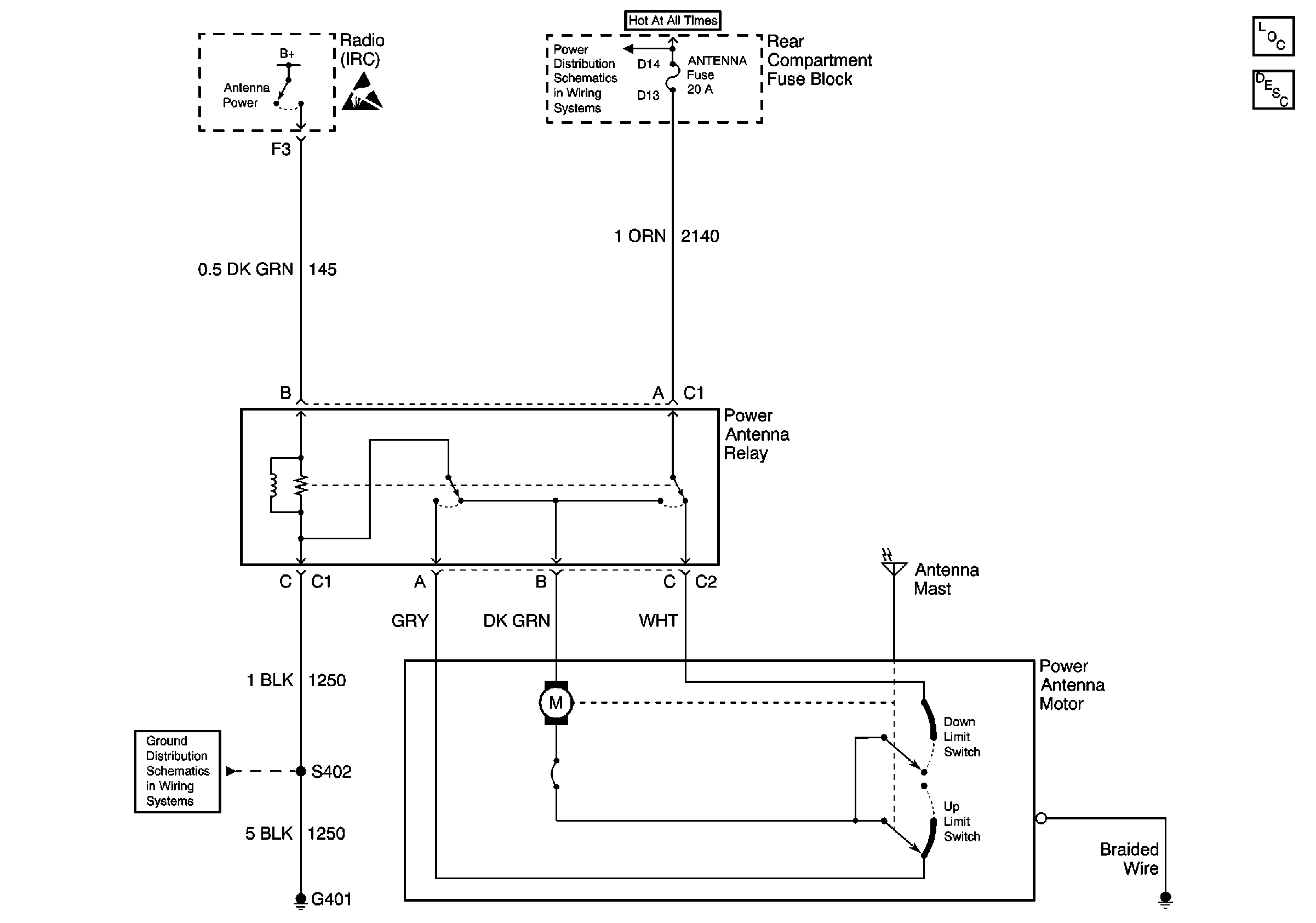
Power Antenna Relay
Handling ESD Sensitive Parts Notice
ANTENNA, RSS, HTD MIR, and HTD BACKLT Fuses
Entertainment Components
Power Antenna System Circuit Description
G401 (1 of 2)