GM Service Manual Online
For 1990-2009 cars only

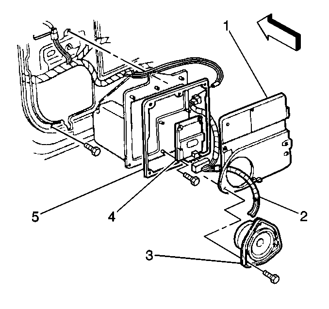
Radio Front Side Door Lower Speaker Replacement with UW6

Removal Procedure

  1. Remove the door trim panel. Refer to Door Trim Panel Replacement in Doors.

  2. Object Number: 309050  Size: SH
  3. Disconnect the speaker electrical connector (1).
  4. Remove the 3 fasteners in order to release the speaker unit (4).
  5. The enclosure contains the following components:

    • The tweeter speaker (3)
    • The midrange speaker (2)
  6. Remove the tweeter speaker (3) and the midrange speaker (2).
  7. The following components hold both the tweeter speaker (3) and the midrange speaker (2) in place inside the enclosure:

    • Four fasteners
    • Two electrical connections

Installation Procedure


    Object Number: 309050  Size: SH
  1. Install the tweeter speaker (3) and/or the midrange speaker (2), if removed. Use 4  fasteners each.
  2. Route the wire through the notches in the housing in order to prevent damage.

    Notice: Use the correct fastener in the correct location. Replacement fasteners must be the correct part number for that application. Fasteners requiring replacement or fasteners requiring the use of thread locking compound or sealant are identified in the service procedure. Do not use paints, lubricants, or corrosion inhibitors on fasteners or fastener joint surfaces unless specified. These coatings affect fastener torque and joint clamping force and may damage the fastener. Use the correct tightening sequence and specifications when installing fasteners in order to avoid damage to parts and systems.

  3. Install the 3 fasteners in order to attach the enclosure to the door.
  4. Tighten
    Tighten the fasteners to 2 N·m (18 lb in).

  5. Connect the speaker electrical connectors (1).
  6. Install the door trim panel. Refer to Door Trim Panel Replacement in Doors.

Radio Front Side Door Lower Speaker Replacement with UQ4

Removal Procedure


    Object Number: 657500  Size: SH
  1. Remove the door trim panel. Refer to Door Trim Panel Replacement in Doors.
  2. Disconnect the speaker electrical connector (5).
  3. Remove the 3 fasteners in order to release the speaker unit (4).
  4. The enclosure contains an amplifier and a speaker.

  5. Object Number: 309052  Size: SH
  6. Remove the following components:
  7. • The grille
    • The speaker (3)
    • The gasket
    • The amplifier cover (1)
    • The gasket (5)
  8. Remove the amplifier (4).
  9. Disconnect the harness connector (2).

Installation Procedure


    Object Number: 309052  Size: SH
  1. Install the following components:
  2. • Install the amplifier (4)
    • Connect the harness connector
    • The gasket (5)
    • Properly reposition the gaskets in order to achieve proper performance. Route the harnesses through the notches in the housing.
    • The amplifier cover (1)
    • Install the fasteners
    • The gasket
    • The speaker (3)
    • The grille

    Object Number: 657500  Size: SH

    Notice: Use the correct fastener in the correct location. Replacement fasteners must be the correct part number for that application. Fasteners requiring replacement or fasteners requiring the use of thread locking compound or sealant are identified in the service procedure. Do not use paints, lubricants, or corrosion inhibitors on fasteners or fastener joint surfaces unless specified. These coatings affect fastener torque and joint clamping force and may damage the fastener. Use the correct tightening sequence and specifications when installing fasteners in order to avoid damage to parts and systems.

  3. Install the 3 fasteners in order to reattach the enclosure to the door.
  4. Tighten
    Tighten the fasteners to 2 N·m (18 lb in) in the sequence, as shown.

  5. Connect the electrical connector (5).
  6. Install the door trim panel. Refer to Door Trim Panel Replacement in Doors.