GM Service Manual Online
For 1990-2009 cars only
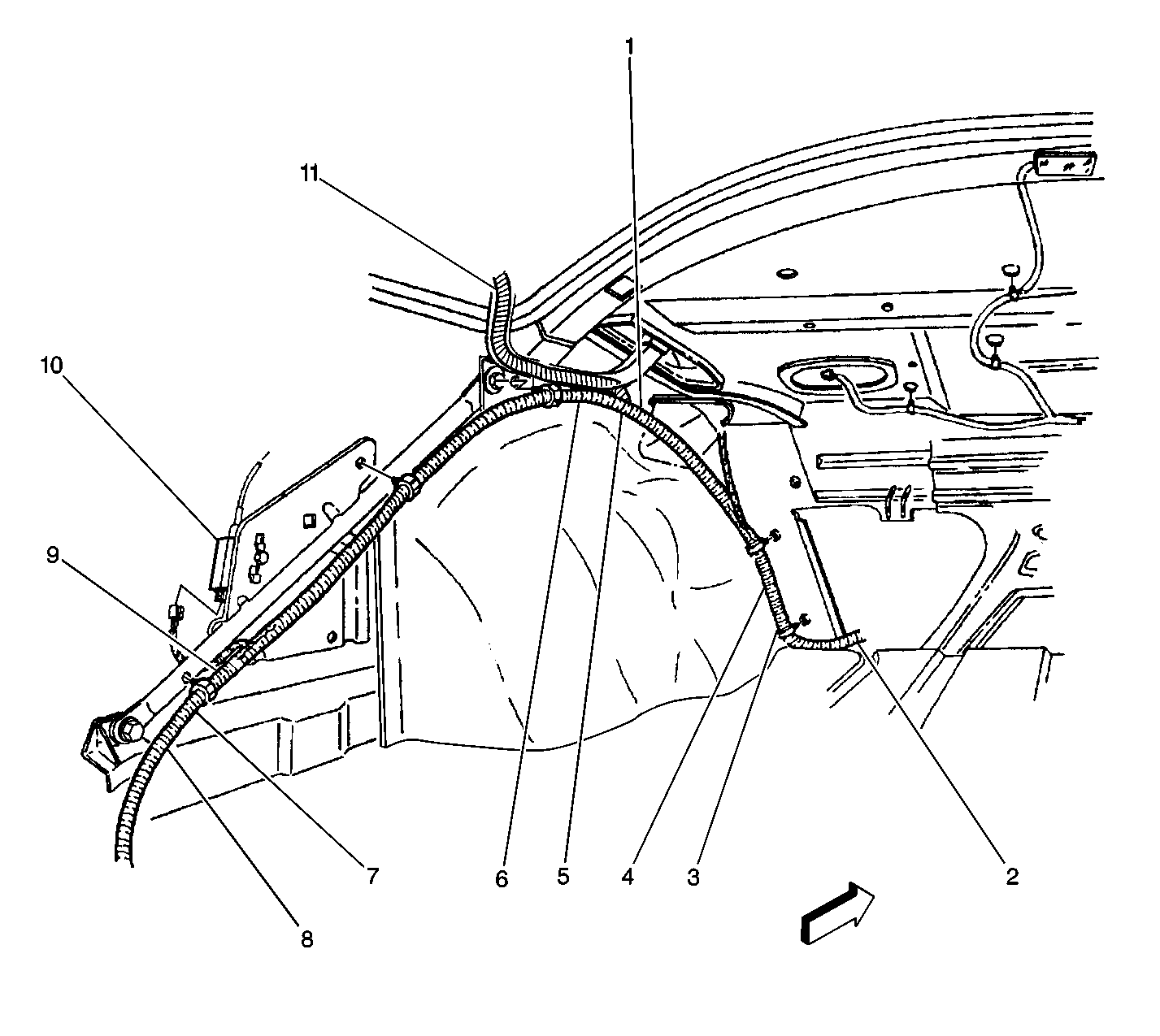
Figure 1:

Left Front of the Vehicle, Right Side Similar (Eldorado)


Object Number: 321217  Size: LF
(1)C103 (RH), C104 (LH)
(2)S132 (RH), S133 (LH)
(3)S134 (RH), S131 (LH)
Figure 2:

Engine Compartment, Front


Object Number: 321313  Size: LF
(1)RH Cooling Fan Motor
(2)S117
(3)Engine Cooling Fan Relay 3
(4)Engine Cooling Fan Relay 2
(5)Engine Cooling Fan Relay 1
(6)S130
(7)S129
(8)LH Cooling Fan Motor
Figure 3:

Engine Compartment, Left Front


Object Number: 321315  Size: LF
(1)G101
(2)G110
(3)S106
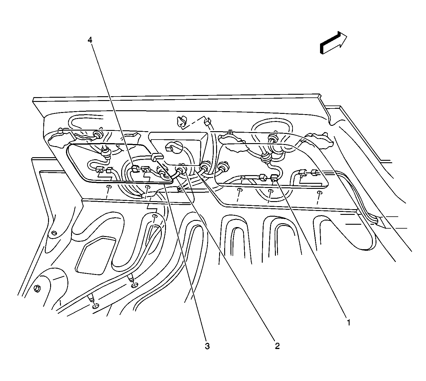
Figure 4:

Engine Compartment, on the Left Side


Object Number: 321318  Size: LF
(1)Underhood Fuse/Relay Center
(2)Inadvertant Power Relay
(3)S112
(4)Underhood Relay Center
(5)Theft Deterrent Relay
(6)Ignition 1 Relay
(7)RH Underhood Fuse Block
(8)S121
(9)S119
(10)LH Underhood Fuse Block
(11)S154
(12)S122
(13)C101
(14)Underhood Fuse Block
(15)S104 and S105
Figure 5:

Engine Compartment, Left Rear Corner


Object Number: 321319  Size: LF
(1)S102
(2)Harness to the Brake Fluid Level Sensor
(3)S101
(4)P106 (RH), P105 (LH Similar)
(5)P101
(6)Harness to the Wiper Motor
(7)S100
Figure 6:

Right Front of the Vehicle, Behind the Front Fascia


Object Number: 321325  Size: LF
(1)C103
(2)Impact Bar
(3)RH Horn
(4)RH Horn
(5)S108
(6)S109
Figure 7:

Engine, Lower Right Front


Object Number: 321338  Size: LF
(1)A/C High Pressure Switch
(2)S153
(3)A/C Clutch Diode
(4)S152
(5)A/C Clutch
Figure 8:

Engine, Top Left


Object Number: 321342  Size: LF
(1)Mass Air Flow (MAF) Sensor
(2)S126
(3)S125
(4)Throttle Postion (TP) Sensor
(5)Idle Air Control (IAC) Valve
Figure 9:

Engine, Left Side


Object Number: 778389  Size: LF
(1)S124
(2)Harness to the Powertrain Control Module (PCM)
(3)S123
Figure 10:

Engine, Fuel Rail and Intake Area


Object Number: 321346  Size: LF
(1)Fuel Injector 7
(2)S110
(3)S111
(4)Fuel Injector 8
(5)Fuel Injector 6
(6)Fuel Injector4
(7)Fuel Injector 2
(8)Fuel injector 1
(9)Fuel Injector 3
(10)Fuel Injector 5
Figure 11:

Engine, on the Lower Left Front Corner


Object Number: 321347  Size: LF
(1)C100
(2)G107
(3)S118
Figure 12:

Engine, Left Rear


Object Number: 321351  Size: LF
(1)Engine Coolant Temperature (ECT) Sensor
(2)Variable Steering Actuator
(3)S127
Figure 13:

Engine, Right Rear


Object Number: 749575  Size: LF
(1)S223
(2)S222
Figure 14:

Engine, Right Rear


Object Number: 321357  Size: LF
(1)C131
(2)Camshaft Position (CMP) Sensor
Figure 15:

Passenger Compartment, Behind the Instrument Panel


Object Number: 321363  Size: LF
(1)S218
(2)S217
(3)Inflatable Restraint IP Module
(4)C203
(5)S215
(6)S216
(7)S201
(8)Headlamp Switch
(9)S220
(10)S219
Figure 16:

Instrument Panel, Below the Upper Pad


Object Number: 321366  Size: LF
(1)S207
(2)S210
(3)S206
(4)Instrument Cluster
Figure 17:

Instrument Panel, Below the Left Side


Object Number: 321367  Size: LF
(1)G203 (Hidden)
(2)S200
(3)S202
(4)G204
(5)S201
(6)S205
Figure 18:

Instrument Panel, at the Base of the Steering Column


Object Number: 321371  Size: LF
(1)Steering Column
(2)P101
(3)Steering Wheel Postion Sensor (SWPS)
(4)C202
(5)C206
Figure 19:

Instrument Panel, Below the Steering Column


Object Number: 321377  Size: LF
(1)S225
(2)S226
(3)Brake Pedal
(4)Stoplamp/ AT Shift Lock Control Switch
(5)ABS/TCC Switch
(6)Steering Column Support Bracket
Figure 20:

Instrument Panel, Below the Right Side


Object Number: 321382  Size: LF
(1)C203
(2)S221
(3)C205
(4)Heater and A/C Programmer
Figure 21:

Instrument Panel, Beneath the Right Side


Object Number: 605470  Size: LF
(1)P100
(2)Vacuum and Electric Solenoid
(3)S212
(4)S211
(5)C205
(6)S223
(7)S222
Figure 22:

IP, Below the Right Side


Object Number: 321386  Size: LF
(1)G201
(2)S323
(3)S203
(4)G205
Figure 23:

Headliner, Top


Object Number: 321387  Size: LF
(1)Headliner
(2)S336
(3)S335
(4)S341
(5)S342
(6)S338
(7)S339
(8)S332 (Concours/ d'Elegance
(9)S334 (Concours / d'Elegance
(10)S366
(11)S332 (DeVille)
(12)S333
(13)S334 (DeVille)
(14)S337
(15)S340
(16)S359 (Concours / d'Elegance)
Figure 24:

Passenger Compartment, in the Center Front of the Headliner


Object Number: 321390  Size: LF
(1)Sunroof Control Module
(2)Sunroof Actuator
(3)C360
Figure 25:

Passenger Compartment, Below the Center Console


Object Number: 321393  Size: LF
(1)S346
(2)S343
(3)S345
(4)S347
(5)S344
Figure 26:

Passenger Compartment, Behind the Lower Left Front Trim


Object Number: 321395  Size: LF
(1)Accessory Time Delay Relay
(2)S307
(3)S322
(4)S203
(5)S320
(6)Harness to the SDM
(7)S316
(8)S317
(9)S371
(10)S319
(11)S318
Figure 27:

Passenger Compartment, Below the Left Front Seat


Object Number: 321396  Size: LF
(1)S313
(2)G302
(3)S314
(4)S312
(5)S311
(6)C302 w/o UE1 and C345 w/UE1
(7)C305
(8)C316 (LH), C317 (RH)
Figure 28:

Passenger Compartment, Below the RH Front Seat


Object Number: 321399  Size: LF
(1)Radio Connector Breakout Harness
(2)S324
(3)S325
(4)S326
(5)C307
(6)Cross Car Breakout Harness
(7)S315
(8)C309
(9)C301
(10)C308
Figure 29:

Passenger Compartment, Left Front Seat


Object Number: 321401  Size: LF
(1)LH Lumbar Horizontal Motor
(2)LH Lumbar Vertical Motor
(3)S321
(4)S331
Figure 30:

Passenger Compartment, Left Front Seat


Object Number: 321402  Size: LF
(1)Seat Rear Vertical Motor (Hidden)
(2)Seat Recline Postion Sensor
(3)Seat Recline Motor
(4)S351 (Left), S356 (Right)
(5)S352 (Left), S357 (Right)
(6)C323 (Left) (Hidden)
(7)C305 (Left) C303 (Right)
(8)Seat Horizontal Postion Sensor
(9)Seat Rear Vertical Postion Sensor
(10)Memory Seat Module (MSM)
(11)Seat Horizontal Motor
(12)C320 (Left), C321 (Right) (Hidden)
(13)Seat Lumbar Vertical Relay
(14)Lumbar Switch
(15)Seat Switch
(16)Seat Front Vertical Motor
(17)Lumbar Horizontal Relay
(18)S349 (Left), S348 (Right)
Figure 31:

Passenger Compartment, in the Right Rear


Object Number: 778802  Size: LF
(1)Rear Cross Car Breakout
(2)S327
(3)S360
(4)S432
(5)S434
(6)C401
(7)S328
(8)S329
Figure 32:

Passenger Compartment, on the Left Sail Panel


Object Number: 321409  Size: LF
(1)C315
(2)C313
Figure 33:

Passenger Compartment, on the Right Sail Panel


Object Number: 321411  Size: LF
(1)RH Seat Belt Retractor Actuator (LH Similar)
(2)C314
Figure 34:

Passenger Compartment, Behind the Rear Seat


Object Number: 593855  Size: LF
(1)Continuously Variable Road Sensing Suspension (CVRSS) Module
(2)Remote Function Actuator (RFA) Module
(3)Radio Amplifier/Radio Interface Module (RIM)
(4)Rear Compartment Relay Center 1
(5)Rear Compartment Relay Center 2
(6)Rear Fuse Block
(7)Body Control Module (PZM)
(8)S410
(9)Rear Compartment Relay Center 3
(10)S430
(11)Automatic Level Control Fuse Block (in the Harness)
(12)P400
(13)S431
(14)Power Door Lock Relay
(15)Rear Compartment Relay Center 4
(16)G403
Figure 35:

Passenger Compartment, Left Side Behind the Seats and Carpet


Object Number: 321414  Size: LF
(1)S300
(2)S301
(3)S302
(4)S303
(5)S304
(6)S305
(7)S365
(8)S306
(9)S354
(10)S307
(11)S373
(12)S372
(13)S308
(14)S309
(15)S406 (Eldorado)
(16)S310
(17)Rear Cross Car Breakout Harness
Figure 36:

Passenger Compartment, Below the Rear Seat


Object Number: 321417  Size: LF
(1)#4 Bar
(2)G400
(3)G401
(4)S402
(5)S405
(6)S401
(7)S407
(8)S406
(9)S404
(10)S408
(11)S409
Figure 37:

Rear Compartment, in the Left Side


Object Number: 321424  Size: LF
(1)S414
(2)S403
(3)S411
(4)S412
(5)S415
(6)S416
(7)S418
(8)S417
(9)C425 (Taped in the Harness) (DeVille)
(10)Fuel Door Release Actuator
(11)Harness to the Rear Compartment Lid
Figure 38:

Rear Compartment, at the Rear


Object Number: 321431  Size: LF
(1)S457, S450, S423 (Hidden)
(2)P404
(3)S481
(4)S457
(5)C420
(6)S423
(7)G402
(8)C426
(9)S424
(10)S458
(11)S480
(12)P406
(13)C422
(14)Rear Compartment Lid Pull Down Motor
Figure 39:

Rear Compartment Lid, Behind the Trim


Object Number: 321434  Size: LF
(1)C407
(2)S429
(3)S425
(4)C408
Figure 40:

Rear of the Vehicle, Below the Passenger Compartment


Object Number: 321436  Size: MF
(1)RH Rear Suspension Postion Sensor Connector
(2)RH Rear Strut Actuator Connector
(3)C412
(4)LH Rear Strut Actuator Connector
(5)LH Rear Suspension Postion Sensor Connector
Figure 41:

Below the Right Rear of the Vehicle


Object Number: 321440  Size: LF
(1)C415
(2)Automatic Level Control Compressor
(3)RH Rear Wheel Speed Sensor (LH Similar)