GM Service Manual Online
For 1990-2009 cars only

Removal Procedure

  1. Remove the radiator support sight shield. Refer to Radiator Support Sight Shield Replacement .

  2. Object Number: 366313  Size: SH
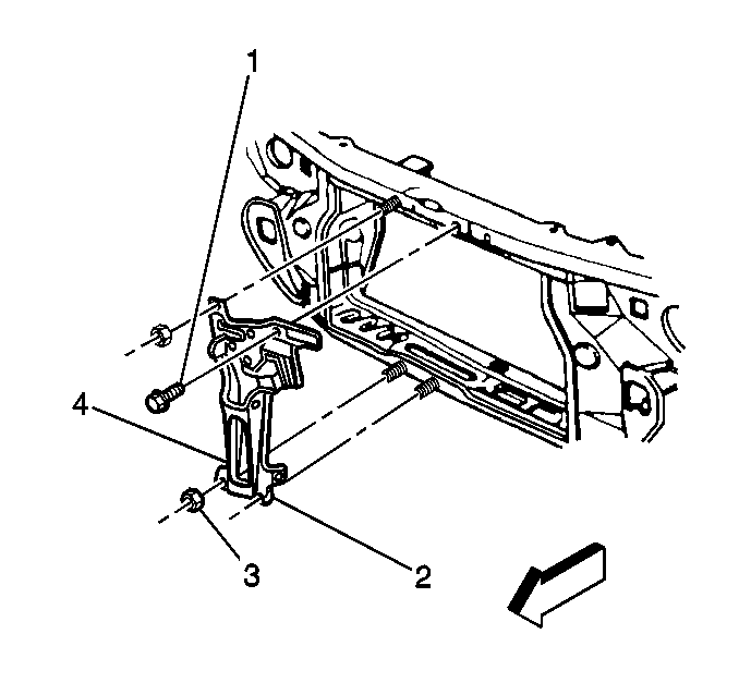
  3. Remove the center support bracket (4). Refer to Front End Sheet Metal Support Replacement .

  4. Object Number: 366315  Size: LH
  5. Remove the nuts (3) that retain the diagonal brace(s) (2) to the radiator support (1).
  6. Remove the diagonal brace(s) (2) from the vehicle.

Installation Procedure


    Object Number: 366315  Size: LH
  1. Install the diagonal brace(s) (2) to the vehicle.
  2. Notice: Use the correct fastener in the correct location. Replacement fasteners must be the correct part number for that application. Fasteners requiring replacement or fasteners requiring the use of thread locking compound or sealant are identified in the service procedure. Do not use paints, lubricants, or corrosion inhibitors on fasteners or fastener joint surfaces unless specified. These coatings affect fastener torque and joint clamping force and may damage the fastener. Use the correct tightening sequence and specifications when installing fasteners in order to avoid damage to parts and systems.

  3. Install the nuts (3) that retain the diagonal brace(s) (2) to the radiator support (1).
  4. Tighten
    Tighten the nuts to 11 N·m (97 lb in).


    Object Number: 366313  Size: SH
  5. Install the center support bracket (4). Refer to Front End Sheet Metal Support Replacement .
  6. Install the radiator support sight shield. Refer to Radiator Support Sight Shield Replacement .