GM Service Manual Online
For 1990-2009 cars only
Makes
🢒
Cadillac
🢒
2000
🢒
Eldorado
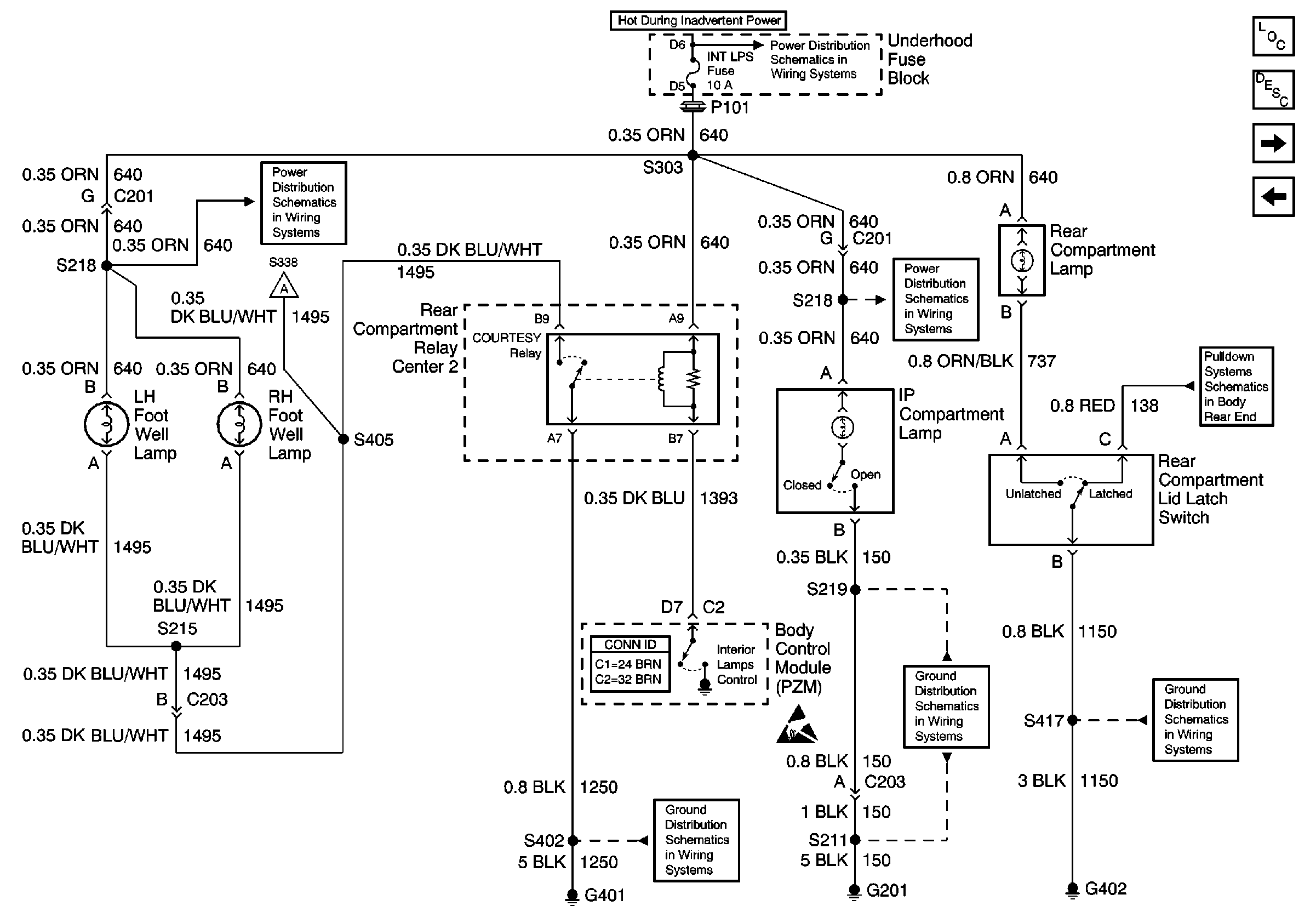
🢒 Door Courtesy, IP Compartment, and Rear Compartment Lamps
Door Courtesy, IP Compartment, and Rear Compartment Lamps
Door Courtesy, IP Compartment, and Rear Compartment Lamps
Lighting Systems Components
Interior Lights Circuit Description
Courtesy/Reading Lamps
Inputs
INT LPS Fuse
Courtesy/Reading Lamps
BODY 3 and INADVERT Fuses
INT LPS Fuse
G401 (1 of 2)
G201
G402
Handling ESD Sensitive Parts Notice
Pulldown System Schematics