GM Service Manual Online
For 1990-2009 cars only
Makes
🢒
Cadillac
🢒
2000
🢒
Eldorado
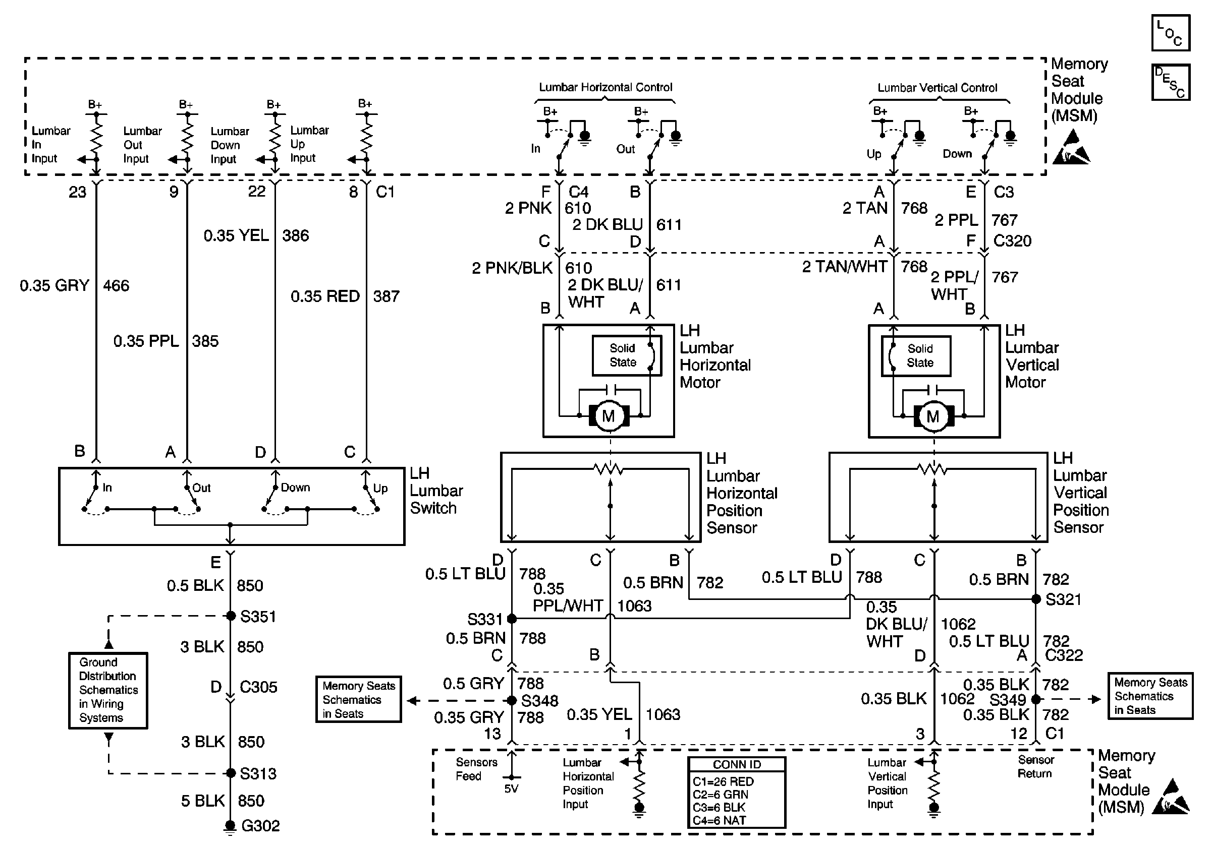
🢒 Left Power Lumbar (AL2 with A45)
Left Power Lumbar (AL2 with A45)
Left Power Lumbar (AL2 with A45)
Power Seat Systems Components
Power Lumbar Circuit Description
Handling ESD Sensitive Parts Notice
Power Seat Connector End Views
Seat Front Vertical, Seat Rear Vertical, and Seat Horizontal POSiTion Sensors and Motors
G302 (1 of 2)
Seat Front Vertical, Seat Rear Vertical, and Seat Horizontal POSiTion Sensors and Motors
Handling ESD Sensitive Parts Notice