GM Service Manual Online
For 1990-2009 cars only
Makes
🢒
Cadillac
🢒
2000
🢒
Eldorado
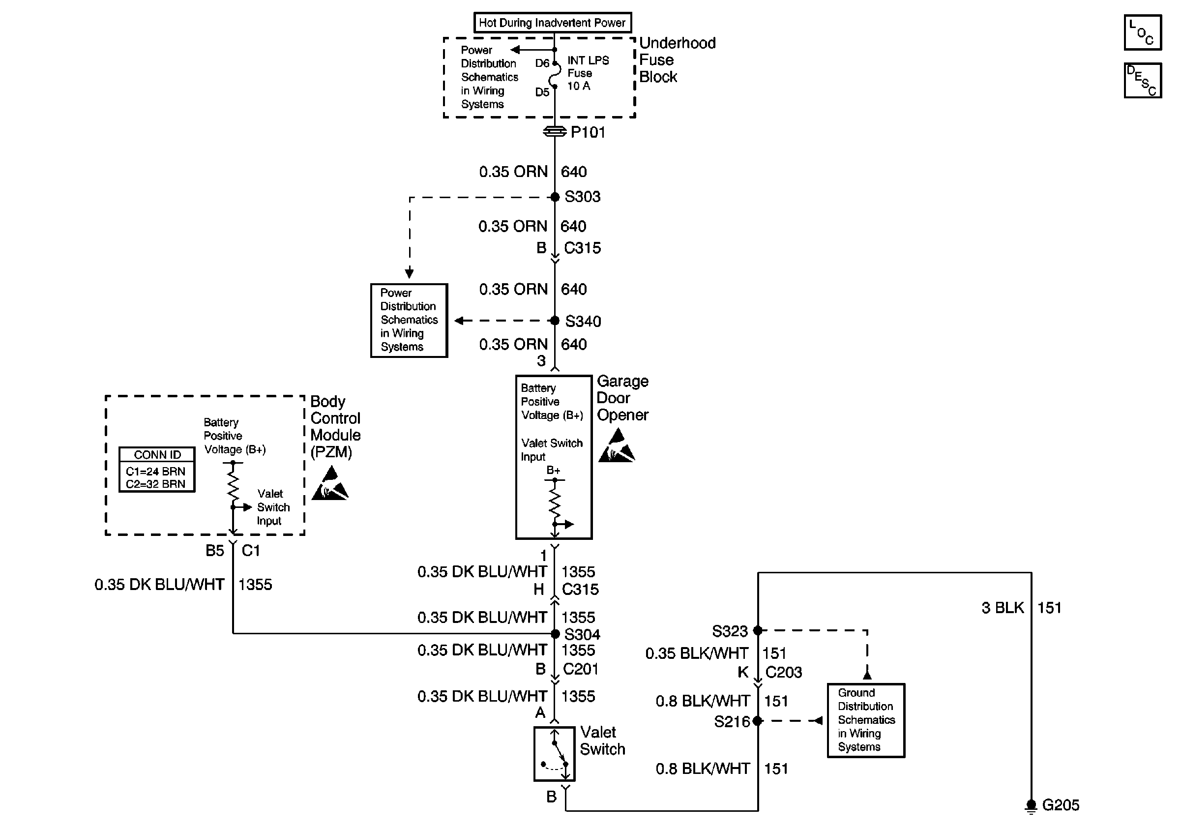
🢒 Garage Door Opener
Garage Door Opener
Garage Door Opener
Garage Door Opener Component Views
Garage Door Opener Description
INT LPS Fuse
INT LPS Fuse
G205
Body Control System Connector End Views
Handling ESD Sensitive Parts Notice
Handling ESD Sensitive Parts Notice