GM Service Manual Online
For 1990-2009 cars only
Makes
🢒
Cadillac
🢒
2000
🢒
Eldorado
🢒 Pressure Switches
Pressure Switches
Pressure Switches
HVAC Component Views
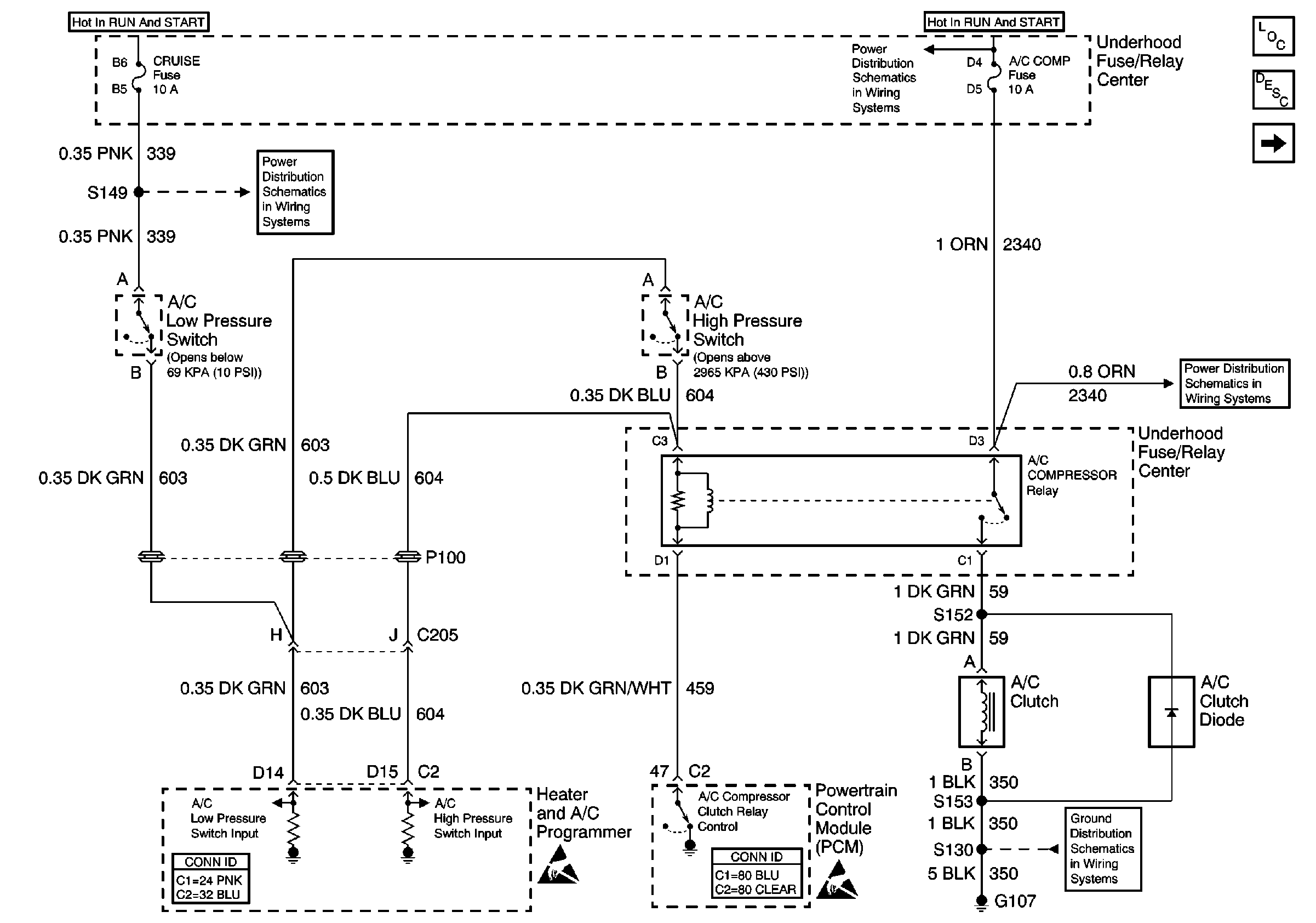
HVAC Compressor Controls Circuit Description
Temperature Sensors
PCM (BAT), A/C COMP, PARK/REV Fuses and A/C COMPRESSOR Relay
CRUISE, DIS, and PCM (IGN) Fuses
PCM (BAT), A/C COMP, PARK/REV Fuses and A/C COMPRESSOR Relay
HVAC Connector End Views
Handling ESD Sensitive Parts Notice
Handling ESD Sensitive Parts Notice
G103, G107, and G110
Powertrain Control Module Connector End Views