GM Service Manual Online
For 1990-2009 cars only
Makes
🢒
Cadillac
🢒
2000
🢒
Eldorado
🢒 Rear
Rear
Rear
Stationary Windows Component Views
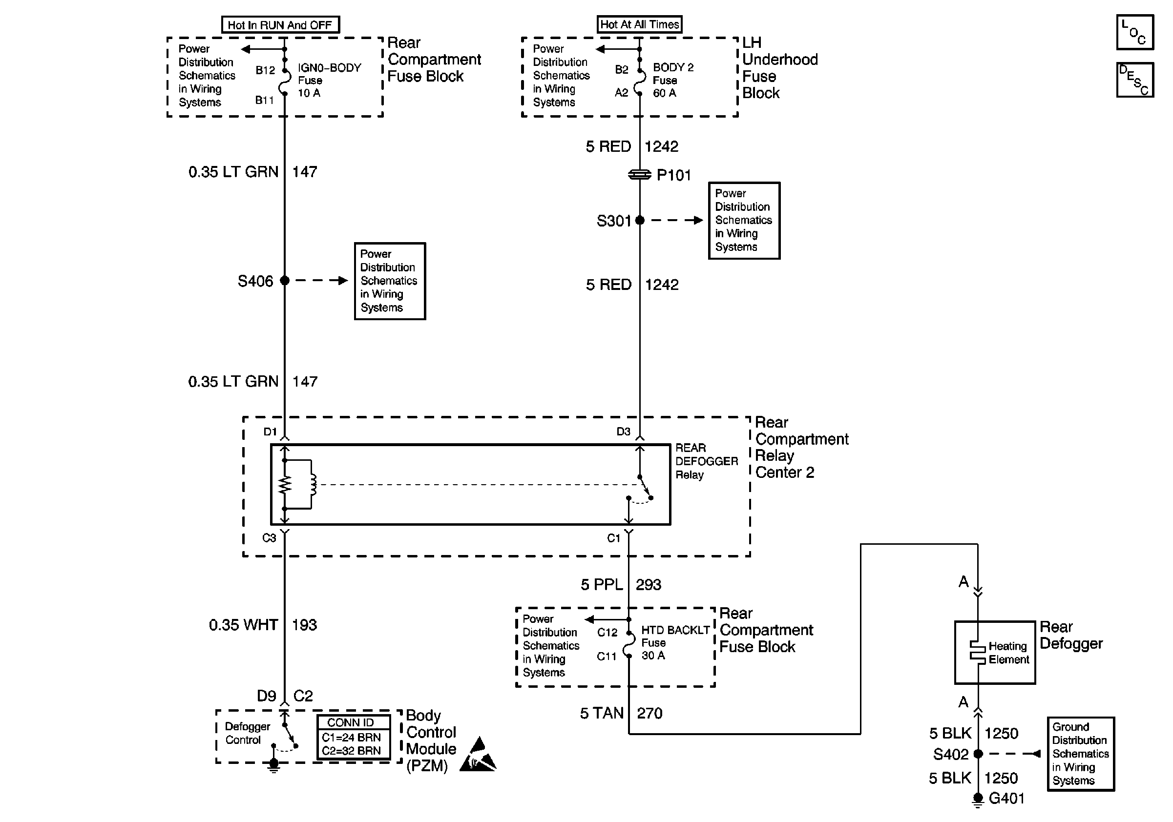
Rear Window Defogger Circuit Description
BODY 2 Fuse
BATT Fuse
BODY 2 Fuse
BATT Fuse
RSS, PZM, and AMP Fuses
Handling ESD Sensitive Parts Notice
Body Control System Connector End Views
G401 (1 of 2)