GM Service Manual Online
For 1990-2009 cars only

Refer to

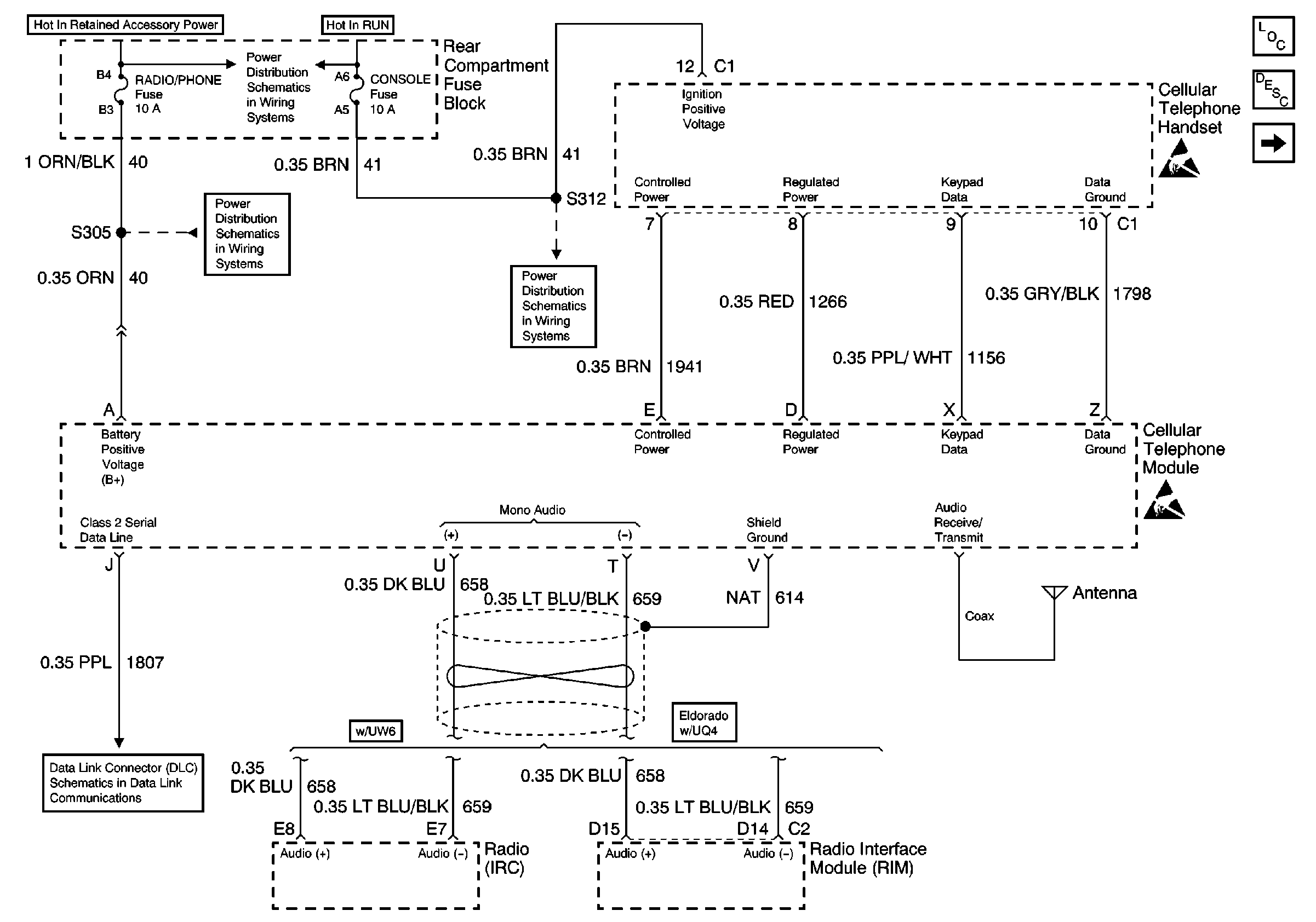
Cellular Telephone Module (w/UV8)


Object Number: 586191  Size: FS
RADIO/PHONE Fuse
CONSOLE Fuse
RADIO/PHONE Fuse
CONSOLE Fuse
Class 2 (2 of 2)
Cellular Communication Components
Cellular Telephone Circuit Description
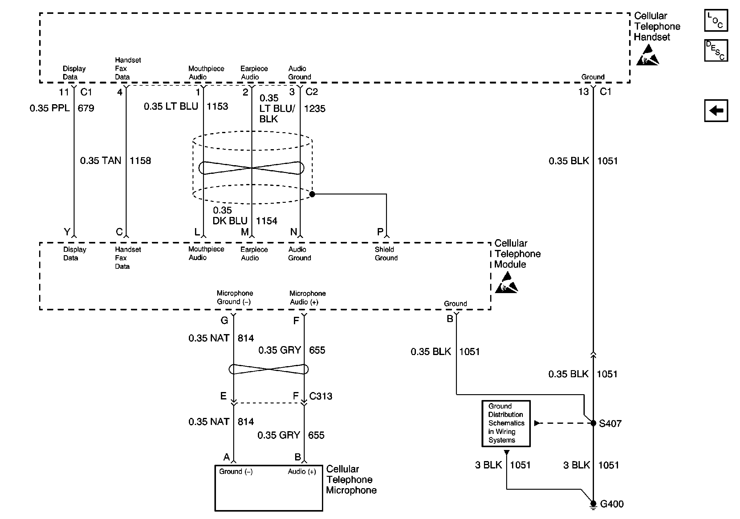
Cellular Telephone Microphone (w/UV8)
Handling ESD Sensitive Parts Notice
Handling ESD Sensitive Parts Notice
and

Cellular Telephone Microphone (w/UV8)


Object Number: 586196  Size: FS
Handling ESD Sensitive Parts Notice
Cellular Communication Components
Cellular Telephone Circuit Description
Cellular Telephone Module (w/UV8)
Handling ESD Sensitive Parts Notice
G400
.

Circuit Description

The module monitors the voltage level available for system operation. If the voltage level is too high, damage may result in the system.

Conditions for Setting the DTC

The battery positive voltage (B+) is greater than 15.5 volts.

Action Taken When the DTC Sets

The module disables the loss of class 2 communication DTCs U1000 through U1301.

Conditions for Clearing the DTC

    • The condition for the DTC is no longer present (the DTC is not current) and you used the scan tool Clear DTC function.
    • The condition for the DTC is no longer present (the DTC is not current) and you used the On-Board Diagnostics Clear DTC function.
    • The module automatically clears the history DTC when a current DTC is not detected in 50 consecutive drive cycles.

Diagnostic Aids

A possible cause of this DTC is overcharging.

Test Description

The numbers below refer to the step numbers on the diagnostic table.

  1. This step uses the scan tool to inspect the voltage to the body control module (PZM). A high voltage value in multiple modules indicates a concern in the charging system.

  2. This step verifies that the condition is still present.

Step

Action

Value(s)

Yes

No

1

Did you perform Diagnostic System Check - Cellular Telephone ?

--

Go to Step 2

Go to Diagnostic System Check - Cellular Telephone

2

With the scan tool, observe the Battery Voltage parameter in the Body Control Module data list.

Does the scan tool indicate the voltage is greater than the specified value?

15.5 V

Go to Diagnostic System Check - Engine Electrical in Engine Electrical

Go to Step 3

3

  1. Use the scan tool in order to clear the DTCs.
  2. Operate the vehicle within the conditions for Running the DTC as specified in the supporting test.

Does the DTC reset?

--

Go to Step 4

Go to Diagnostic Aids

4

Replace the cellular telephone module. Refer to Radio Frequency Booster and Bracket Assembly Replacement .

Did you complete the replacement?

--

Go to Step 5

--

5

  1. Use the scan tool in order to clear the DTCs.
  2. Operate the vehicle within the conditions for Running the DTC as specified in the supporting test.

Does the DTC reset?

--

Go to Step 2

System OK