GM Service Manual Online
For 1990-2009 cars only

Removal Procedure

  1. Remove the right insulator panel. Refer to Instrument Panel Insulator Panel Replacement - Right Side in Instrument Panel, Gauges and Console.
  2. Remove the storage compartment. Refer to Instrument Panel Storage Compartment Replacement in Instrument Panel, Gauges and Console.
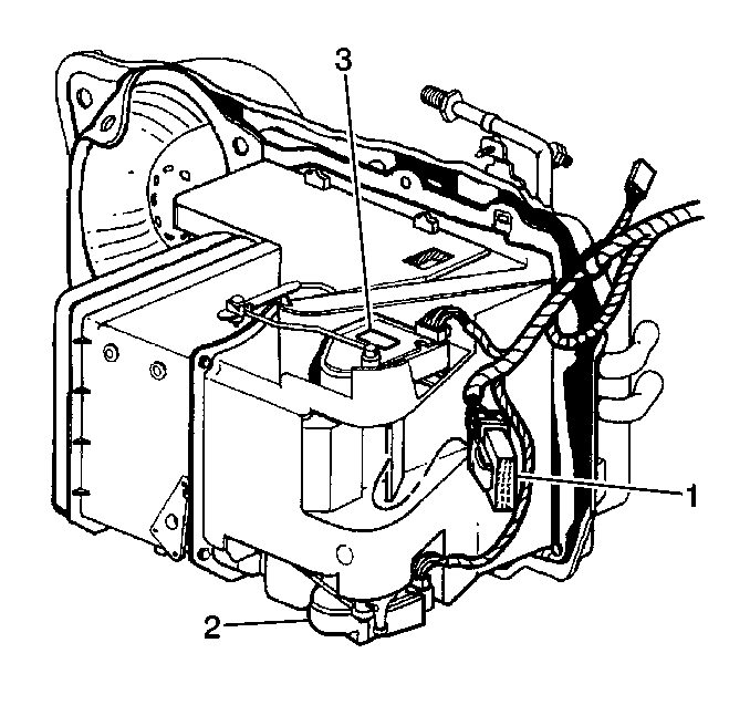
  3. Unsnap the rod from the plastic retainer on the actuator arm.

  4. Object Number: 305037  Size: SH
  5. Remove the screws from the actuator (2).
  6. Disconnect the electrical connector (1).
  7. Remove the actuator (2).
  8. Inspect the air mix door for free travel.

Installation Procedure


    Object Number: 305037  Size: SH
  1. Install the actuator (2).
  2. Connect the electrical connector (1).
  3. Notice: Use the correct fastener in the correct location. Replacement fasteners must be the correct part number for that application. Fasteners requiring replacement or fasteners requiring the use of thread locking compound or sealant are identified in the service procedure. Do not use paints, lubricants, or corrosion inhibitors on fasteners or fastener joint surfaces unless specified. These coatings affect fastener torque and joint clamping force and may damage the fastener. Use the correct tightening sequence and specifications when installing fasteners in order to avoid damage to parts and systems.

  4. Install the screws to the actuator (2).
  5. Tighten
    Tighten the screws to 1.2 N·m (12 lb in).

  6. Snap the rod to the plastic retainer on the actuator arm.
  7. Install the storage compartment. Refer to Instrument Panel Storage Compartment Replacement in Instrument Panel, Gauges and Console.
  8. Install the right insulator panel. Refer to Instrument Panel Insulator Panel Replacement - Right Side in Instrument Panel, Gauges and Console.
  9. Recalibrate the actuators. Refer to Actuator Recalibration .