GM Service Manual Online
For 1990-2009 cars only
Makes
🢒
Cadillac
🢒
2001
🢒
Eldorado
🢒
Body and Accessories
🢒
Instrument Panel, Gauges, and Console
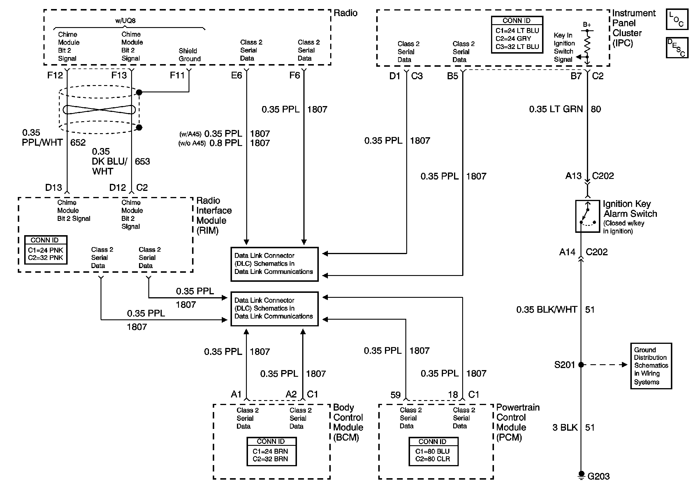
🢒 Audible Warnings Schematics
Audible Warning System
Master Electrical Component List
Power, Ground, and Class 2 (2 of 2)
Power, Ground and Class 2 (1 of 2)
G203