GM Service Manual Online
For 1990-2009 cars only
Makes
🢒
Cadillac
🢒
2001
🢒
Eldorado
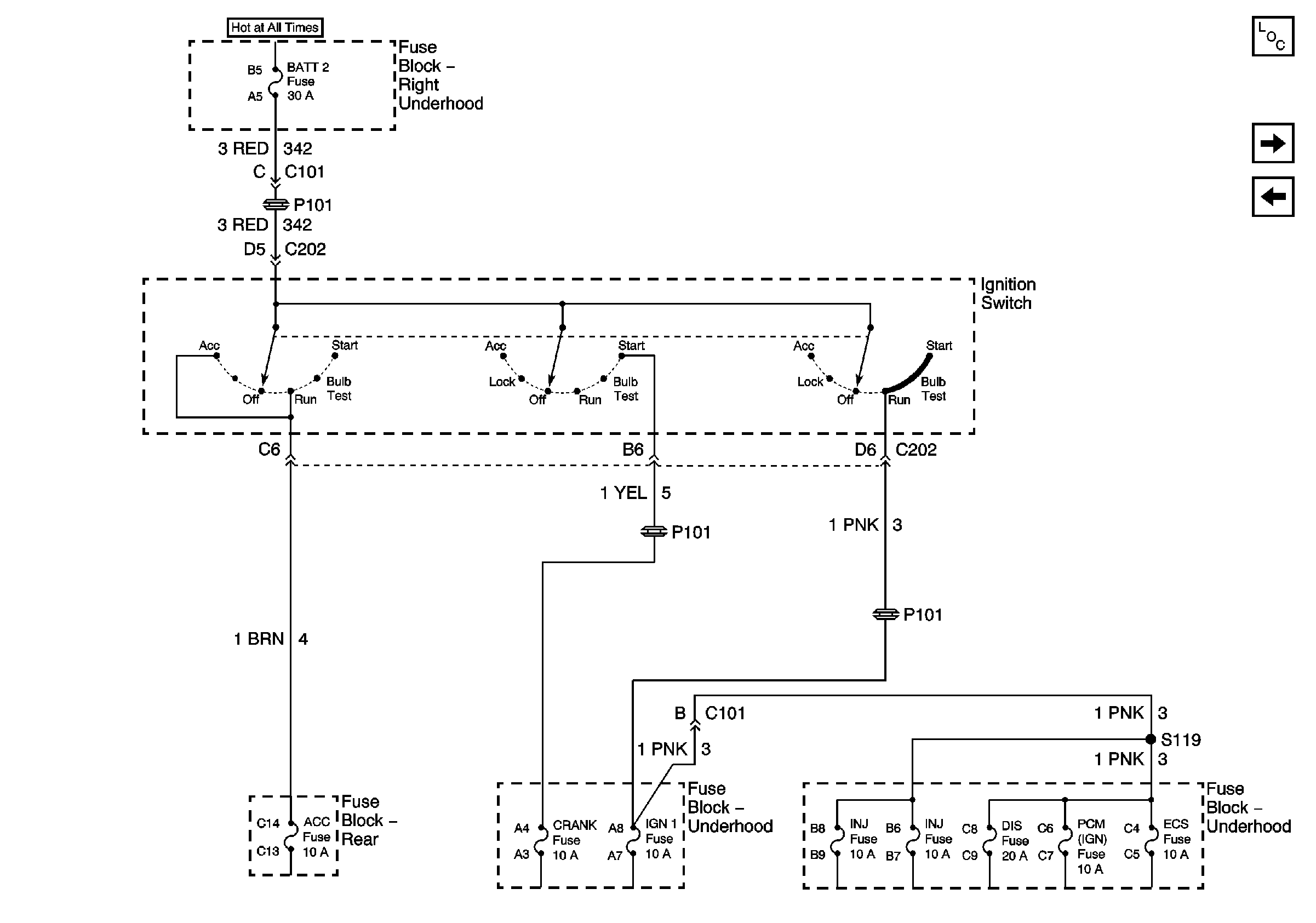
🢒 BATT 2 Fuse and Ignition Switch (2 of 2)
BATT 2 Fuse and Ignition Switch (2 of 2)
BATT 2 Fuse and Ignition Switch (2 of 2)
Master Electrical Component List
IGN 1, COOL FANS, BATT 1, and BRAKES Fuses
BATT 3 and Ignition Switch (1 of 2)