GM Service Manual Online
For 1990-2009 cars only
Makes
🢒
Cadillac
🢒
2001
🢒
Eldorado
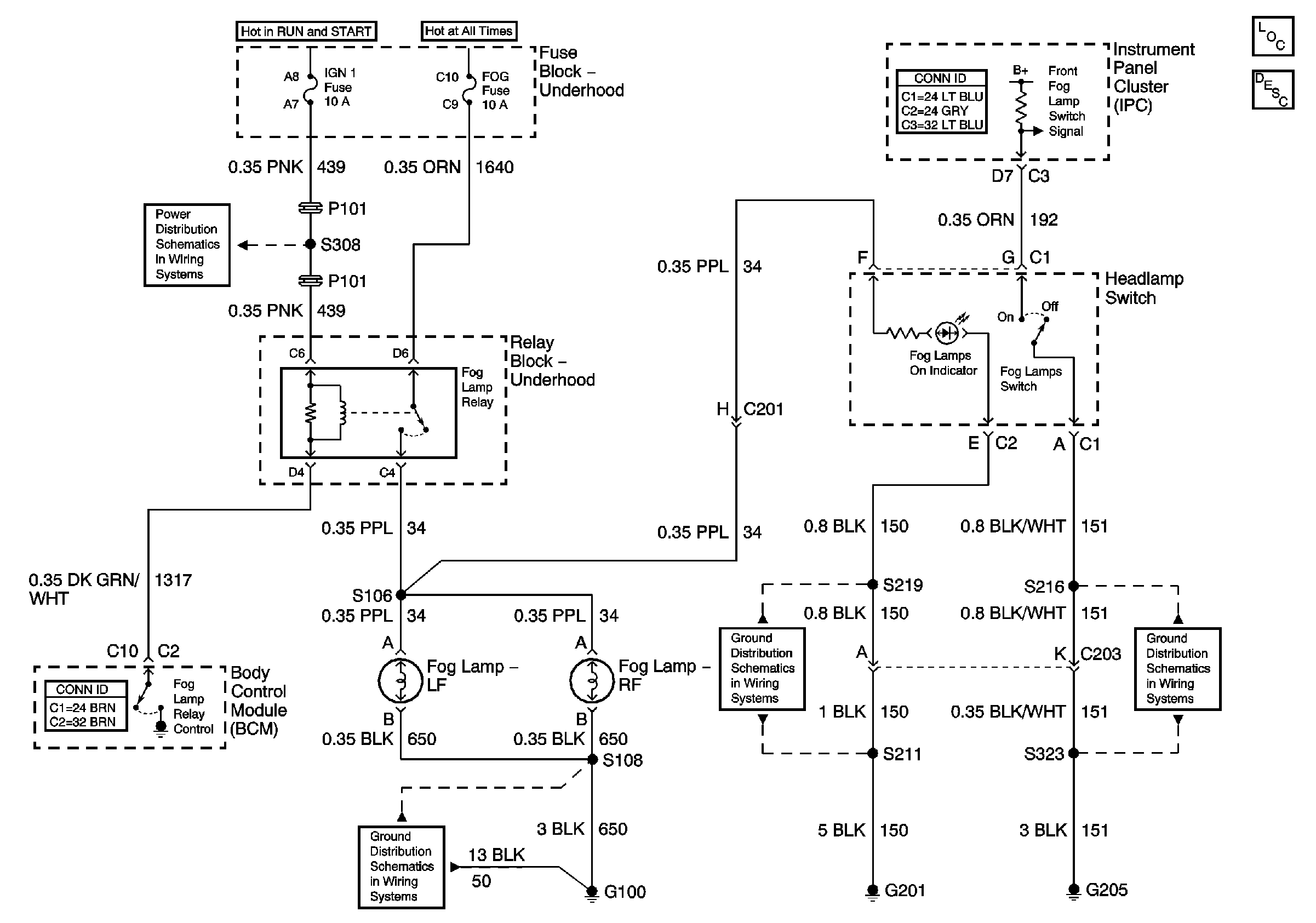
🢒 Fog Lamps
Fog Lamps
Fog Lamps
Master Electrical Component List
G205
G201
G100 and G105
ABS and IGN 1 Fuses