GM Service Manual Online
For 1990-2009 cars only
Makes
🢒
Cadillac
🢒
2001
🢒
Eldorado
🢒 Garage Door Opener
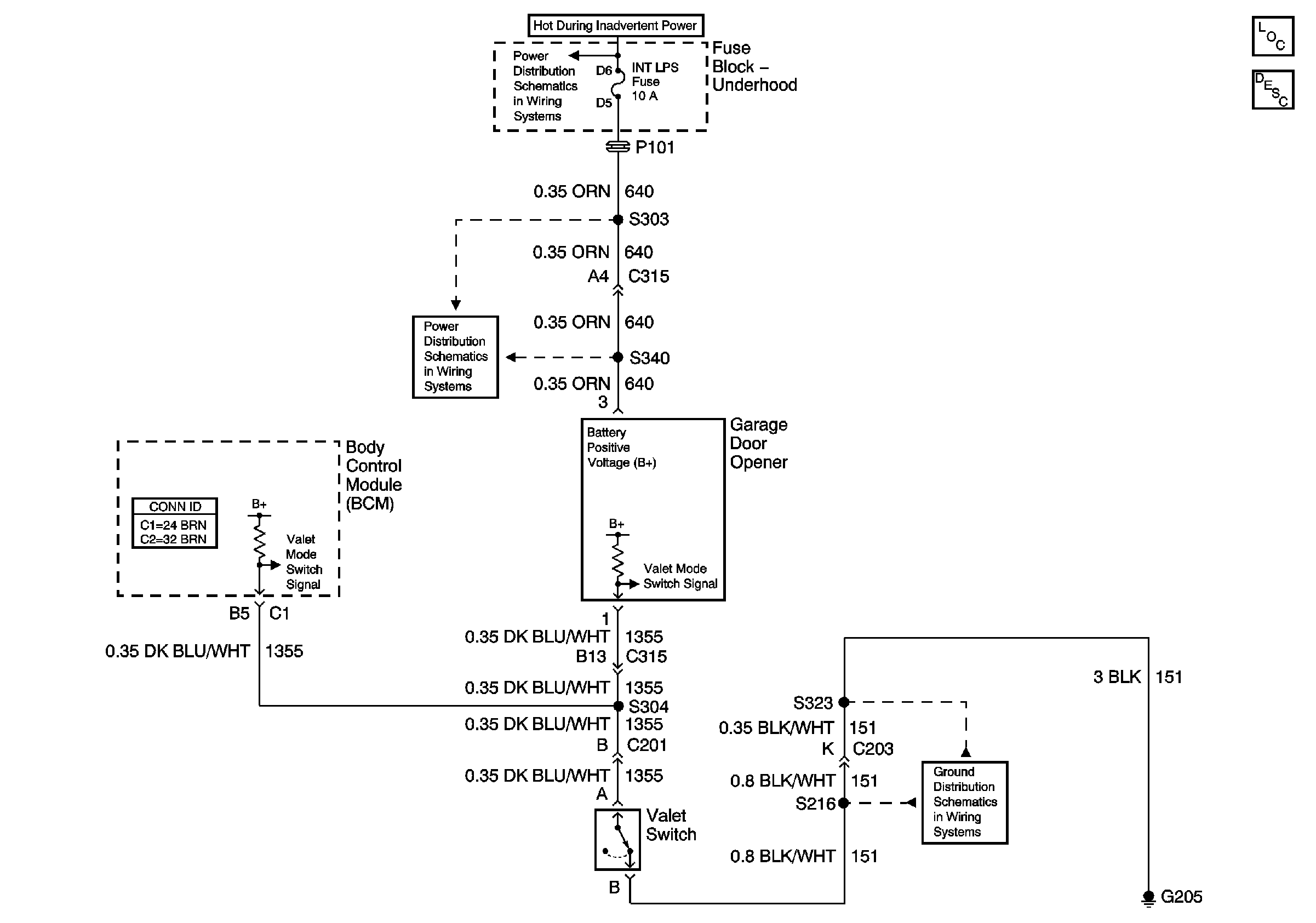
Garage Door Opener
Master Electrical Component List
G205
INT LPS Fuse
BODY 3 and INADVERT Fuses