Notice: The wheels of the vehicle must be straight ahead and the steering column in the LOCK position before disconnecting the steering column or intermediate shaft from the steering gear. Failure to do so will cause the coil assembly in the steering column to become uncentered which will cause damage to the coil assembly.
Notice: Use the correct fastener in the correct location. Replacement fasteners must be the correct part number for that application. Fasteners requiring replacement or fasteners requiring the use of thread locking compound or sealant are identified in the service procedure. Do not use paints, lubricants, or corrosion inhibitors on fasteners or fastener joint surfaces unless specified. These coatings affect fastener torque and joint clamping force and may damage the fastener. Use the correct tightening sequence and specifications when installing fasteners in order to avoid damage to parts and systems.
Tighten
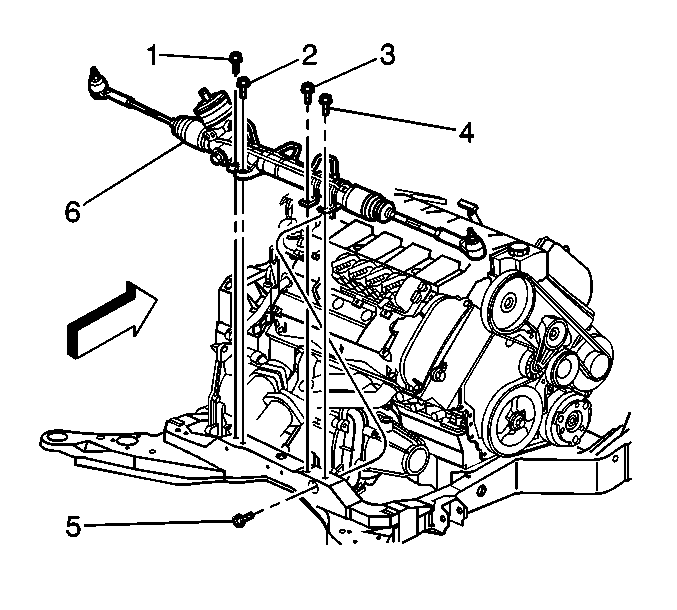
Tighten the power steering gear mounting bolts (1,2,3,4 and 5)
in sequence to 68 N·m (50 lb ft).
Tighten
Tighten the power steering pressure and return hoses at the power steering
gear to 27 N·m (20 lb ft).
Tighten
Tighten the frame rear body bolts to 191 N·m (141 lb ft).
Tighten
Tighten the intermediate shaft lower pinch bolt to 47 N·m
(35 lb ft).