GM Service Manual Online
For 1990-2009 cars only

Removal Procedure

    Caution: Unless directed otherwise, the ignition and start switch must be in the OFF or LOCK position, and all electrical loads must be OFF before servicing any electrical component. Disconnect the negative battery cable to prevent an electrical spark should a tool or equipment come in contact with an exposed electrical terminal. Failure to follow these precautions may result in personal injury and/or damage to the vehicle or its components.

  1. Disconnect the negative battery cable.
  2. Remove the right insulator panel. Refer to Instrument Panel Insulator Panel Replacement - Right Side in Instrument Panel, Gages and Console.
  3. Remove the storage compartment. Refer to Instrument Panel Storage Compartment Replacement in Instrument Panel, Gages and Console.

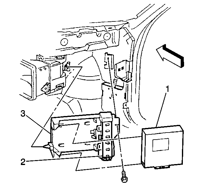
  4. Object Number: 305022  Size: SH
  5. Disconnect the vacuum and electrical connectors from the processor (1).

  6. Object Number: 305018  Size: SH
  7. Remove the processor (1).

Installation Procedure


    Object Number: 305018  Size: SH
  1. Install the processor (1).

  2. Object Number: 305022  Size: SH
  3. Connect the vacuum and electrical connectors to the processor (1).
  4. Install the storage compartment. Refer to Instrument Panel Storage Compartment Replacement in Instrument Panel, Gages and Console.
  5. Install the right insulator panel. Refer to Instrument Panel Insulator Panel Replacement - Right Side in Instrument Panel, Gages and Console
  6. Connect the negative battery cable.
  7. Recalibrate the actuators. Refer to Actuator Recalibration .