GM Service Manual Online
For 1990-2009 cars only
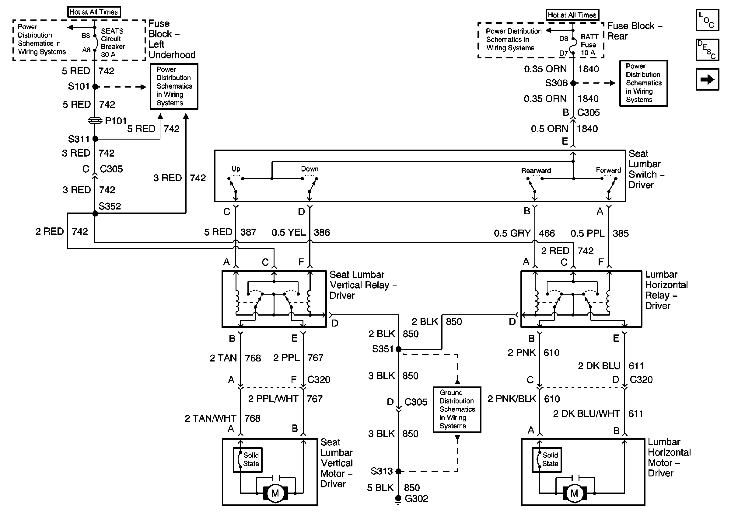
Figure 1:

Driver Seat w/AL2 and w/o A45


Object Number: 716288  Size: FS
Master Electrical Component List
Lumbar Support Description and Operation w/o A45
Passenger Power Lumbar w/AL2 and w/o A45
G302 (1 of 2)
Battery Feeds
SEATS Circuit Breaker
BODY 1 Fuse
BATT Fuse
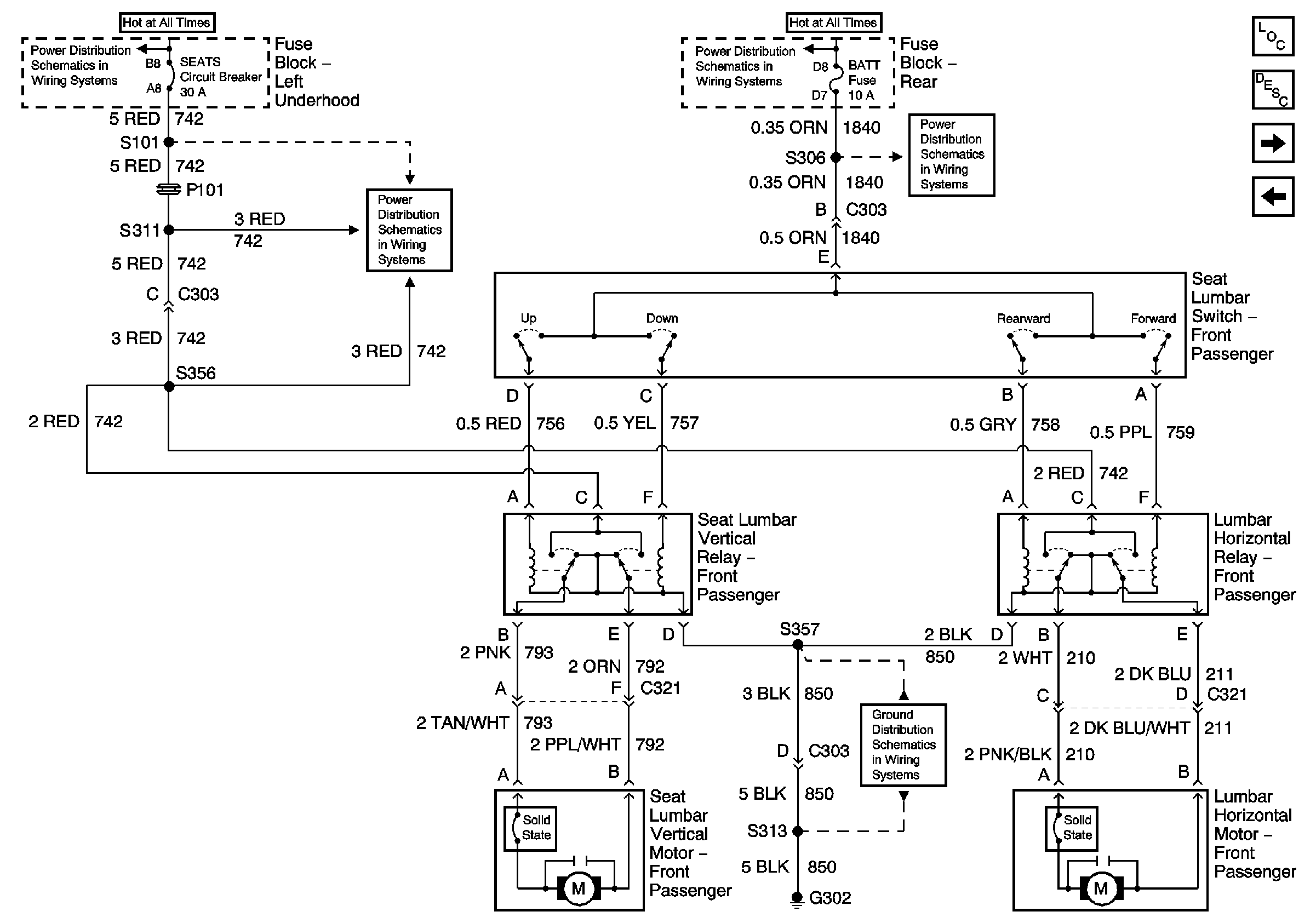
Figure 2:

Passenger Seat w/AL2 and w/o A45


Object Number: 716293  Size: FS
Master Electrical Component List
Lumbar Support Description and Operation w/o A45
Driver Power Lumbar w/AL2 and A45
Driver Power Lumbar w/AL2 and w/o A45
G302 (1 of 2)
Battery Feeds
SEATS Circuit Breaker
BODY 1 Fuse
BATT Fuse
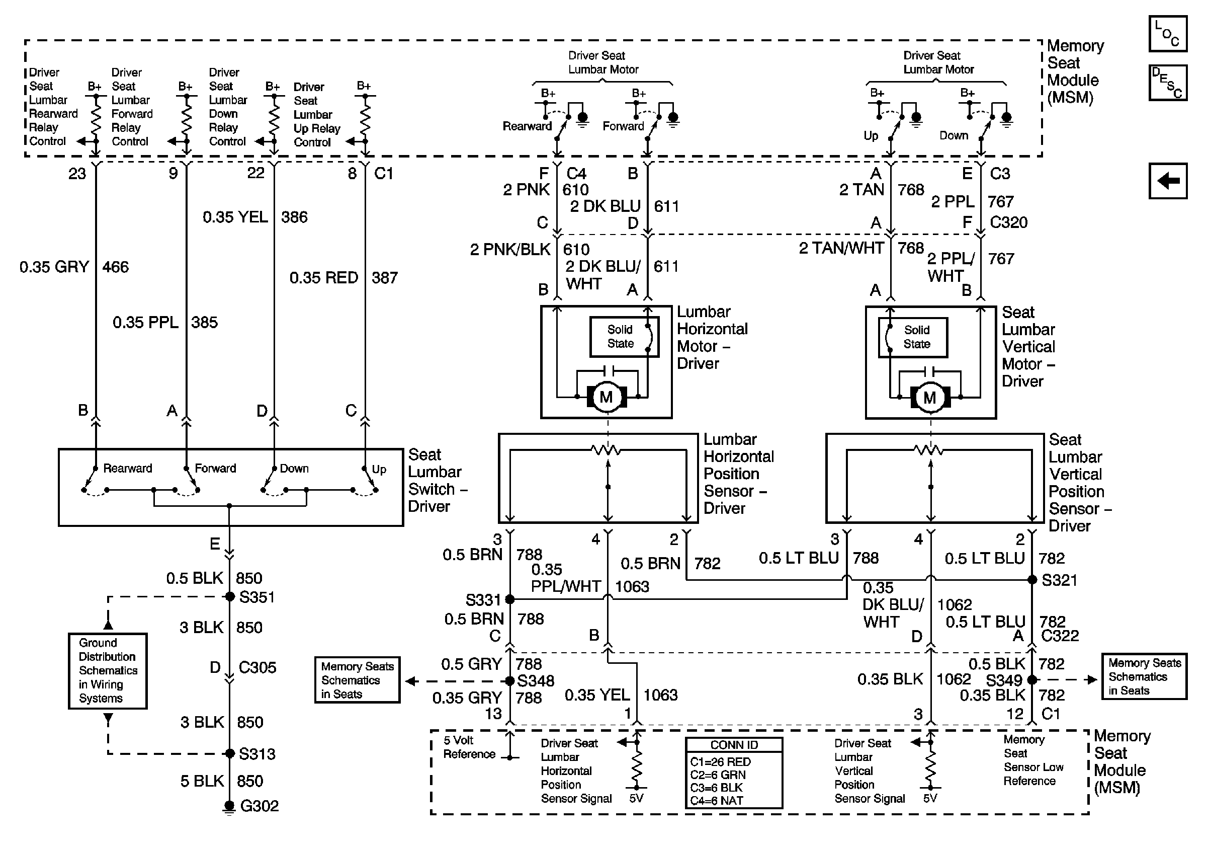
Figure 3:

Driver Seat w/A45


Object Number: 716298  Size: FS
Master Electrical Component List
Lumbar Support Description and Operation with A45
Passenger Power Lumbar w/AL2 and w/o A45
Driver Seat Vertical and Horizontal Sensors and Motors
Driver Seat Vertical and Horizontal Sensors and Motors
G302 (1 of 2)