GM Service Manual Online
For 1990-2009 cars only
Makes
🢒
Cadillac
🢒
2002
🢒
Eldorado
🢒 Engine Cooling
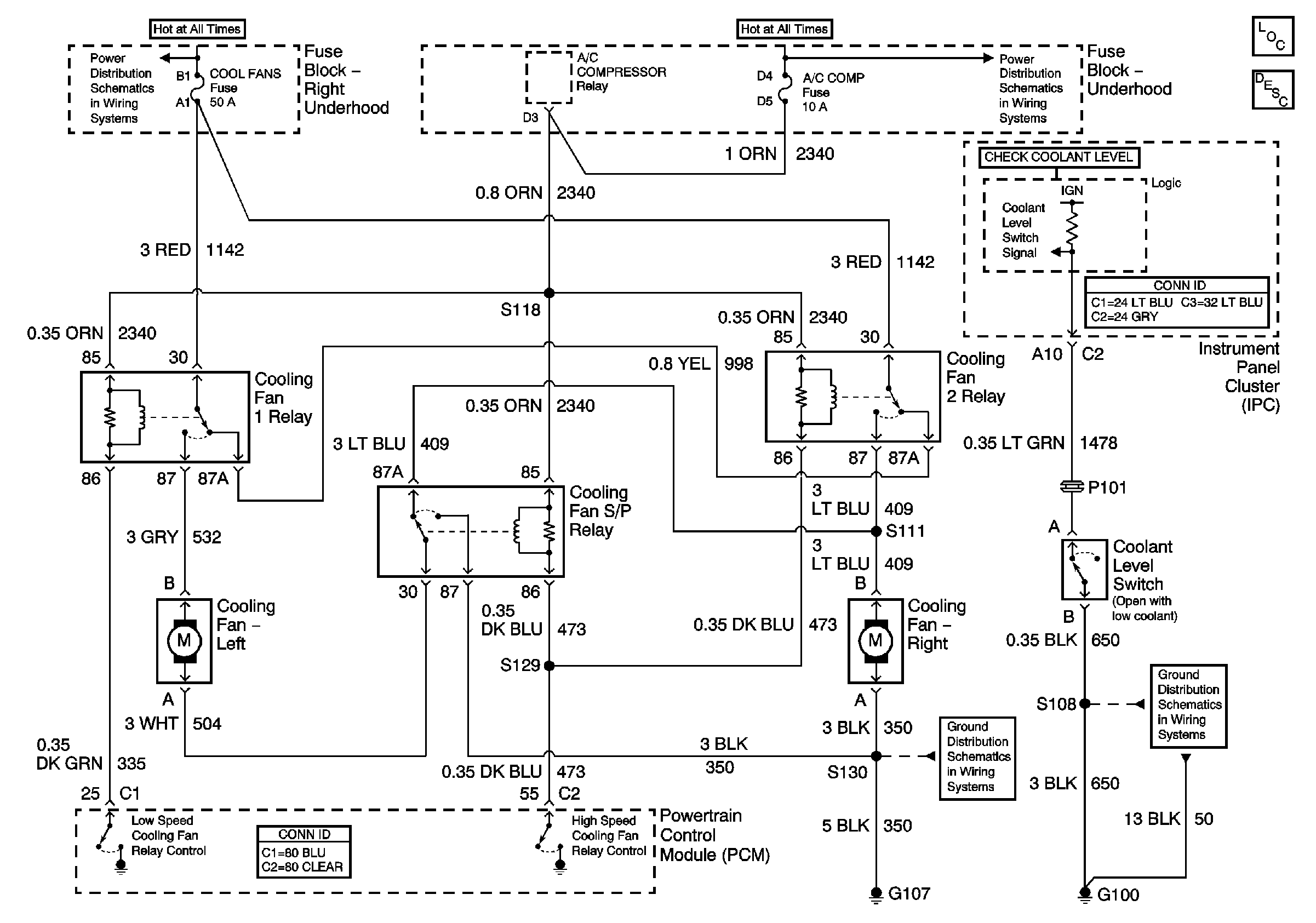
Engine Cooling
Master Electrical Component List
Cooling System Description and Operation
G103, G107, G109, and G110
Battery Feeds
IGN 1, COOL FANS, AIR, BATT 1, and BRAKES Fuses
G100 and G105