GM Service Manual Online
For 1990-2009 cars only
Makes
🢒
Cadillac
🢒
2002
🢒
Eldorado
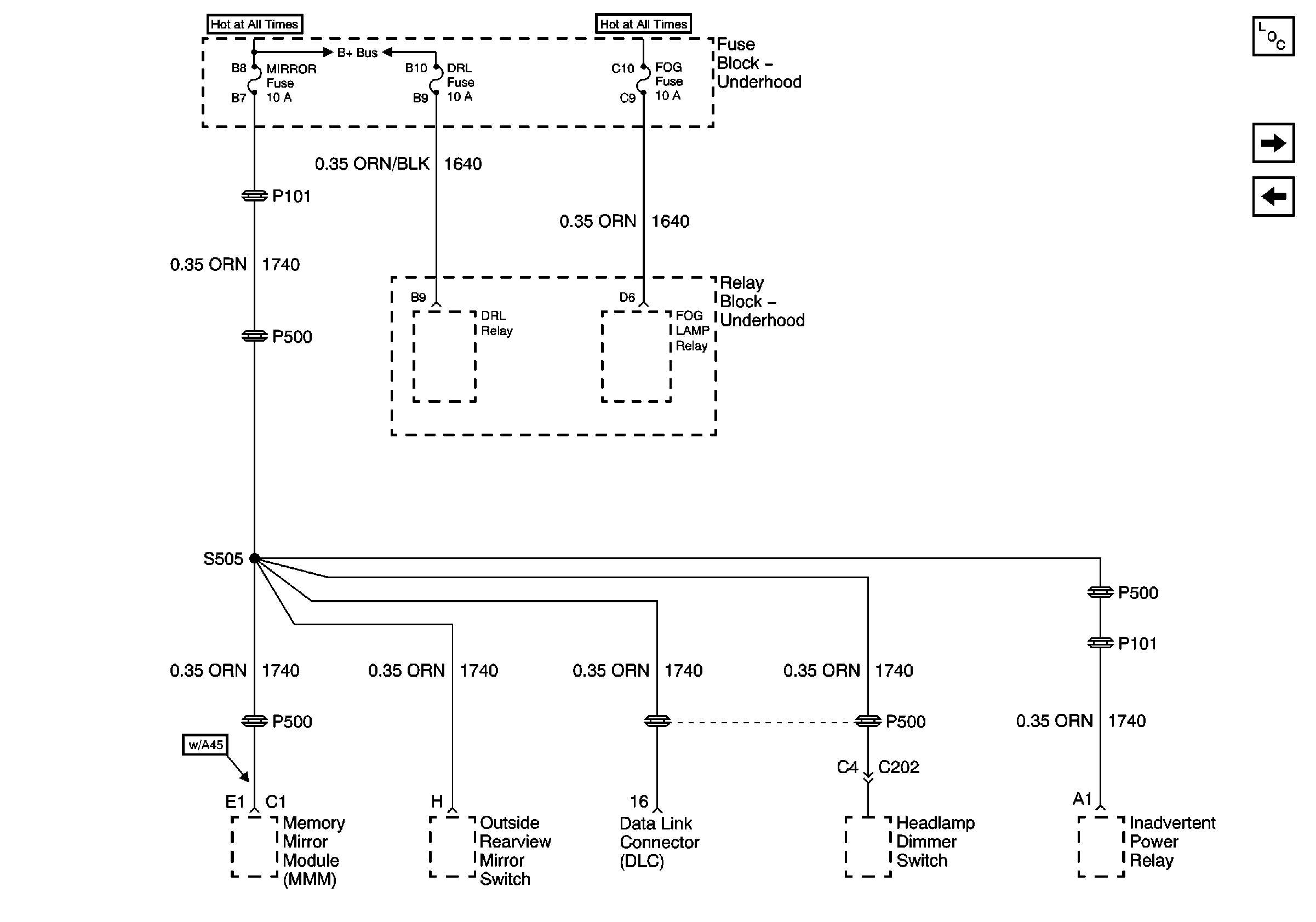
🢒 MIRROR, DRL, and FOG Fuses
MIRROR, DRL, and FOG Fuses
MIRROR, DRL, and FOG Fuses
Master Electrical Component List
INJ Fuses
HDLPS and CIG LTR 1 Fuses