GM Service Manual Online
For 1990-2009 cars only
Makes
🢒
Cadillac
🢒
2002
🢒
Eldorado
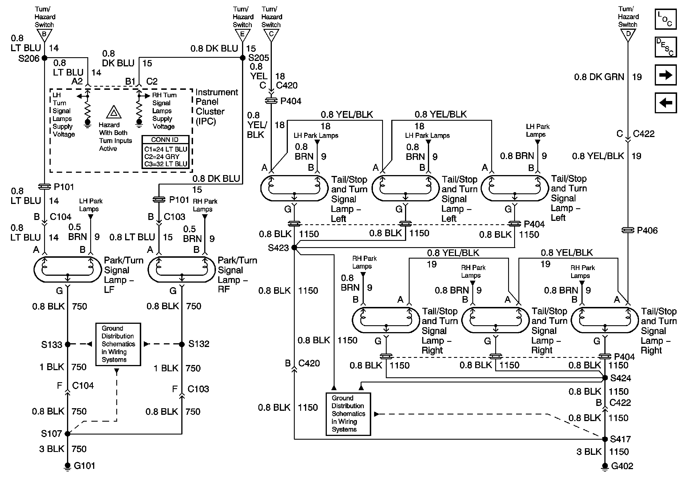
🢒 Turn Signal Lamps
Turn Signal Lamps
Turn Signal Lamps
Master Electrical Component List
Exterior Lighting Systems Description and Operation
Cornering Lamps
Turn Signal Flasher Module, Hazard Flasher, and Stoplamp/AT Shift Lock Control Switch
G402
G101
Turn Signal Flasher Module, Hazard Flasher, and Stoplamp/AT Shift Lock Control Switch
Turn Signal Flasher Module, Hazard Flasher, and Stoplamp/AT Shift Lock Control Switch
Turn Signal Flasher Module, Hazard Flasher, and Stoplamp/AT Shift Lock Control Switch
Turn Signal Flasher Module, Hazard Flasher, and Stoplamp/AT Shift Lock Control Switch