GM Service Manual Online
For 1990-2009 cars only
Makes
🢒
Cadillac
🢒
2002
🢒
Eldorado
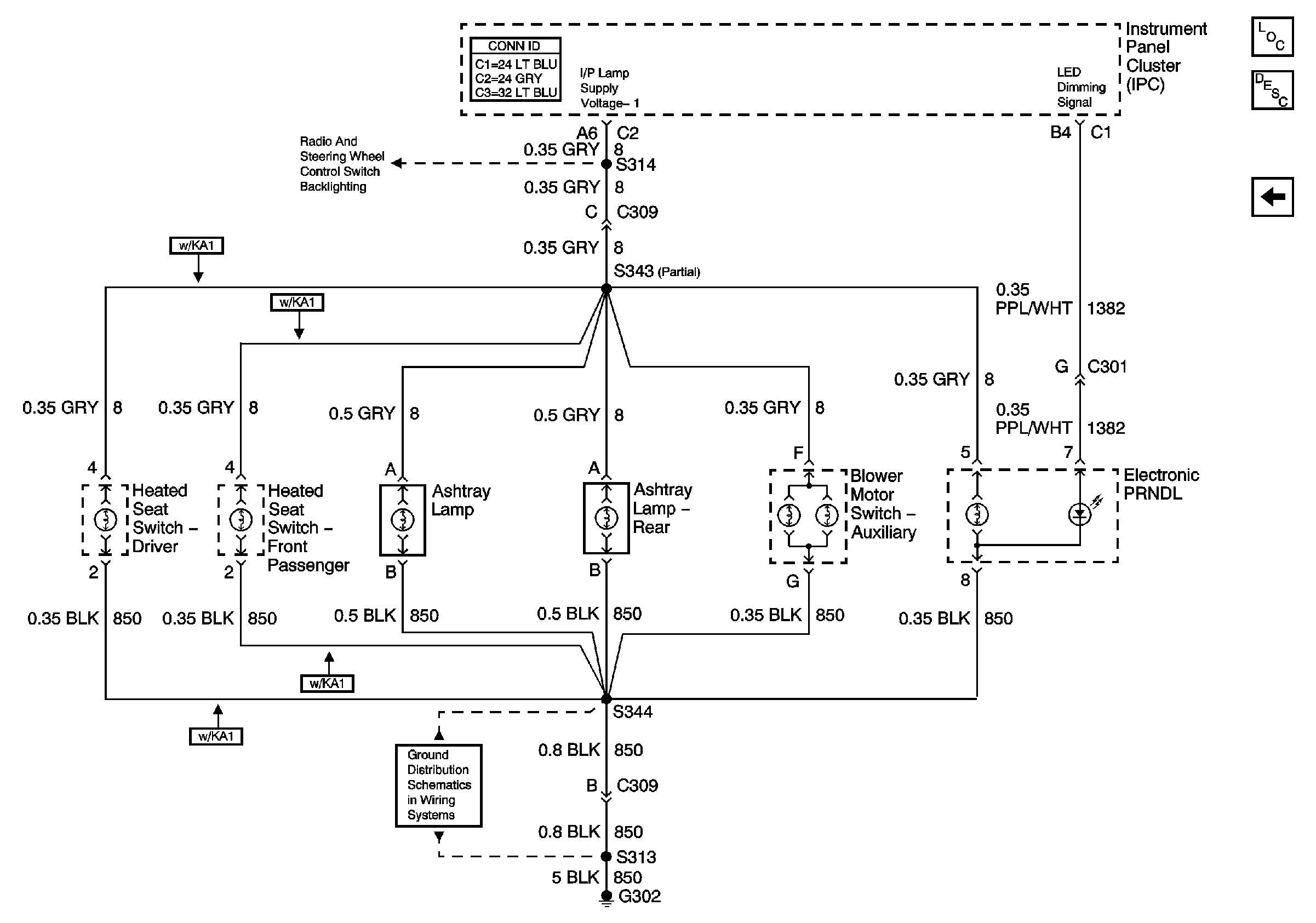
🢒 Console Backlighting
Console Backlighting
Console Backlighting
Master Electrical Component List
Interior Lighting Systems Description and Operation
Instrument Panel Backlighting
G302 (2 of 2)
Instrument Panel Backlighting