GM Service Manual Online
For 1990-2009 cars only

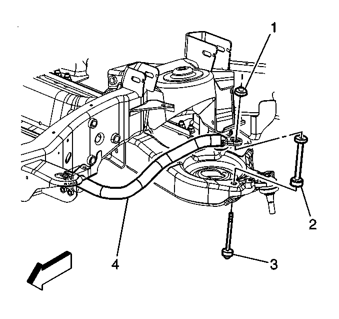
Stabilizer Shaft Link Replacement 2500

Removal Procedure

  1. Raise and support the vehicle. Refer to Lifting and Jacking the Vehicle .

  2. Object Number: 348361  Size: SH
  3. Remove the stabilizer shaft nut (1) from the link bolt.
  4. Remove the stabilizer shaft link bolt (3).
  5. Remove the stabilizer shaft link insulators and spacers (2).
  6. Inspect all of the parts for wear and damage.

Installation Procedure


    Object Number: 348361  Size: SH
  1. Install the stabilizer shaft link insulators and spacers (2).
  2. Perform the following procedure before installing the stabilizer link bolts.
  3. • Remove all traces of the original adhesive patch.
    • Apply Threadlocker GM P/N 12345382 (Canadian P/N 10953489) BLUE LOCTITE # 242 on the threads of the bolts.
  4. Install the stabilizer shaft link bolts (3).
  5. Notice: Use the correct fastener in the correct location. Replacement fasteners must be the correct part number for that application. Fasteners requiring replacement or fasteners requiring the use of thread locking compound or sealant are identified in the service procedure. Do not use paints, lubricants, or corrosion inhibitors on fasteners or fastener joint surfaces unless specified. These coatings affect fastener torque and joint clamping force and may damage the fastener. Use the correct tightening sequence and specifications when installing fasteners in order to avoid damage to parts and systems.

    Notice: To avoid stabilizer shaft damage due to loss of clamp load, the threads of the link bolt must protrude 2 to 4 threads above the link nut after the specified torque is achieved.

  6. Install the stabilizer shaft nut (1) to the link bolt.
  7. Tighten
    Tighten the nut to 10 N·m (89 lb in). Continue to tighten the nut until 2-4 threads protrude above the nut.

  8. Remove the safety stands
  9. Lower the vehicle.