GM Service Manual Online
For 1990-2009 cars only

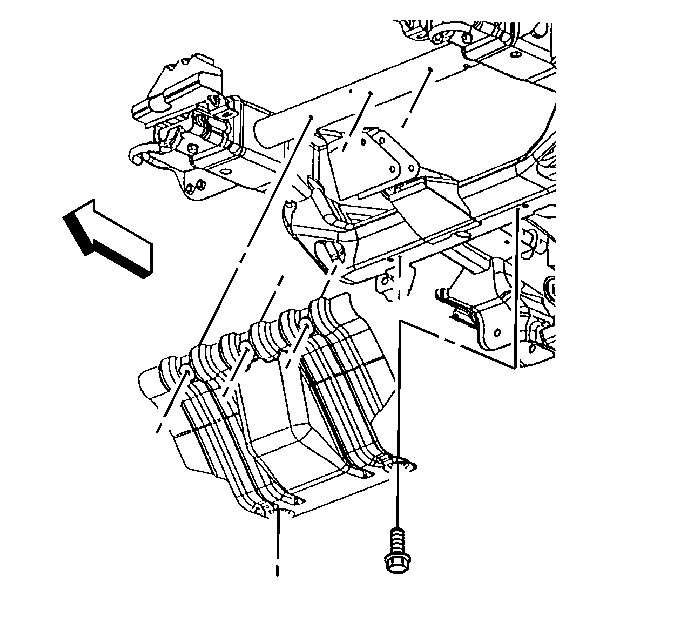
Removal Procedure


    Object Number: 349061  Size: SH
  1. Remove the frame to the shield bolts.
  2. Remove the shield from the vehicle. (15 Series is shown, 25 Series is similar.)

Installation Procedure

  1. Install the shield to the vehicle. (15 Series is shown, 25 Series is similar.)

  2. Object Number: 349061  Size: SH

    Notice: Use the correct fastener in the correct location. Replacement fasteners must be the correct part number for that application. Fasteners requiring replacement or fasteners requiring the use of thread locking compound or sealant are identified in the service procedure. Do not use paints, lubricants, or corrosion inhibitors on fasteners or fastener joint surfaces unless specified. These coatings affect fastener torque and joint clamping force and may damage the fastener. Use the correct tightening sequence and specifications when installing fasteners in order to avoid damage to parts and systems.

  3. Install the shield to frame bolts.
  4. Tighten
    Tighten the bolts to 20 N·m (15 lb ft).