GM Service Manual Online
For 1990-2009 cars only

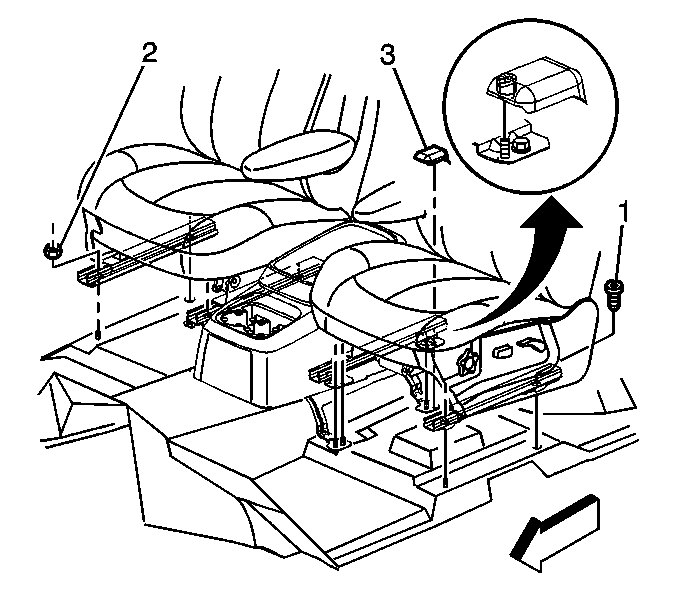
Removal Procedure


    Object Number: 363709  Size: SH

    Caution: This vehicle is equipped with a Supplemental Inflatable Restraint (SIR) System. Failure to follow the correct procedure could cause the following conditions:

       • Air bag deployment
       • Personal injury
       • Unnecessary SIR system repairs
    In order to avoid the above conditions, observe the following guidelines:
       • Refer to SIR Component Views in order to determine if you are performing service on or near the SIR components or the SIR wiring.
       • If you are performing service on or near the SIR components or the SIR wiring, disable the SIR system. Refer to Disabling the SIR System.

  1. If equipped with side air bags, disable the SIR system. Refer to Disabling the SIR System in SIR.
  2. Move the seat to the full rearward position. Remove the front seat nut cover (3), if equipped.
  3. Remove the seat retaining front nuts (2).
  4. Move the seat to the full forward position in order to remove the seat retaining rear bolts (1).
  5. Disconnect the electrical harness, if equipped.
  6. Remove the seat from the vehicle.

Installation Procedure


    Object Number: 363709  Size: SH
  1. Position the seat in the vehicle.
  2. Connect the electrical harness, if equipped.
  3. Notice: Refer to Fastener Notice in the Preface section.

  4. Move the seat to the full forward position in order to install the seat retaining rear bolts (1).
  5. Tighten
    Tighten the retaining rear bolts to 55 N·m (41 lb ft).

  6. Install the front seat adjuster nut cover (3), if equipped.
  7. Move the seat to the full rearward position and install the seat retaining front nuts (2).
  8. Tighten
    Tighten the nuts to 55 N·m (41 lb ft).

  9. If equipped with side air bags, enable the SIR system. Refer to Enabling the SIR System in SIR.