GM Service Manual Online
For 1990-2009 cars only

Console Replacement Base Console

Removal Procedure

  1. Open the center console door.

  2. Object Number: 409472  Size: SH
  3. Remove the 4 bolts attaching the center console to the console bracket.
  4. Remove by lifting the center console from the bracket.

Installation Procedure

  1. The new console is attached to a bracket.
  2. Separate the center console from the bracket by removing the retaining bolts.

  3. Position the new center console on the bracket in the vehicle.
  4. Notice: Use the correct fastener in the correct location. Replacement fasteners must be the correct part number for that application. Fasteners requiring replacement or fasteners requiring the use of thread locking compound or sealant are identified in the service procedure. Do not use paints, lubricants, or corrosion inhibitors on fasteners or fastener joint surfaces unless specified. These coatings affect fastener torque and joint clamping force and may damage the fastener. Use the correct tightening sequence and specifications when installing fasteners in order to avoid damage to parts and systems.


    Object Number: 409472  Size: SH
  5. Install the 4 retaining bolts to the bracket.
  6. Tighten
    Tighten the bolts to 3.5 N·m (31 lb in).

  7. Close the center console door.

Console Replacement Luxury Console

Removal Procedure

  1. Remove both front seats. Refer to Front Seat Replacement - Bucket in Seats.
  2. Remove the console bezel. Refer to Floor Console Bezel Replacement .

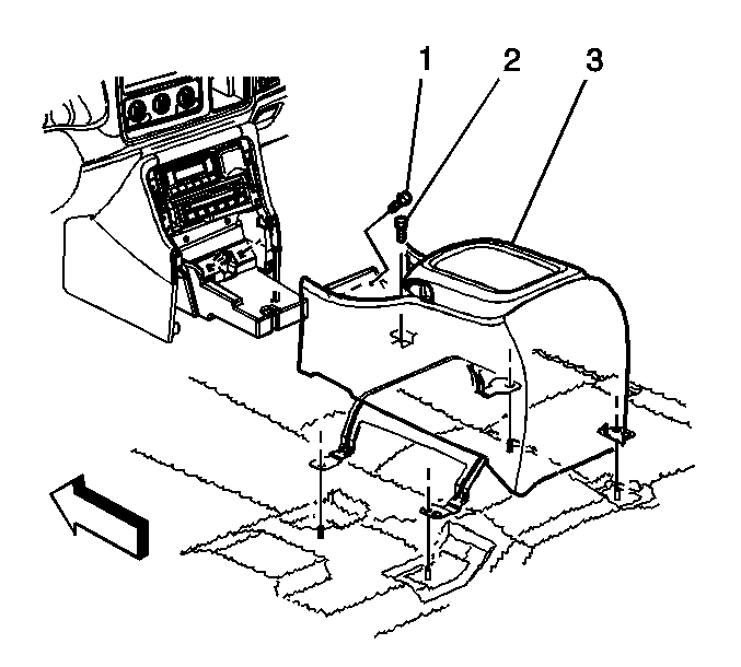
  3. Object Number: 827629  Size: SH
  4. Remove the two bolts (1) attaching the floor console to the front extension.
  5. Remove the bolt (2) attaching the floor console to the subwoofer box, if equipped.
  6. Lift up the console assembly from the floor studs and move rearwards to gain access to the wire harness connector.
  7. Disconnect the wire connector.
  8. Remove the console assembly (3) from the vehicle.

Installation Procedure


    Object Number: 827629  Size: SH
  1. Place the console assembly in the vehicle in other to connect the wire connector.
  2. Connect the wire connector.
  3. Install the console over the studs.
  4. Notice: Refer to Fastener Notice in the Preface section.

  5. Install the two front console bolts (1) to the front extension.
  6. Tighten
    Tighten the two bolts to 1.6 N·m (14 lb in).

  7. Install the bolt (2) to the subwoofer box, if equipped.
  8. Tighten
    Tighten the bolt to 1.6 N·m (14 lb in).

  9. Install the console bezel. Refer to Floor Console Bezel Replacement .
  10. Install both front seats. Refer to Front Seat Replacement - Bucket in Seats.